HMC404/HMC404-SX集成式LO變成器IC芯片 ADI外盤
公(gong)布的期限:2018-07-06 13:51:03 看(kan):2928
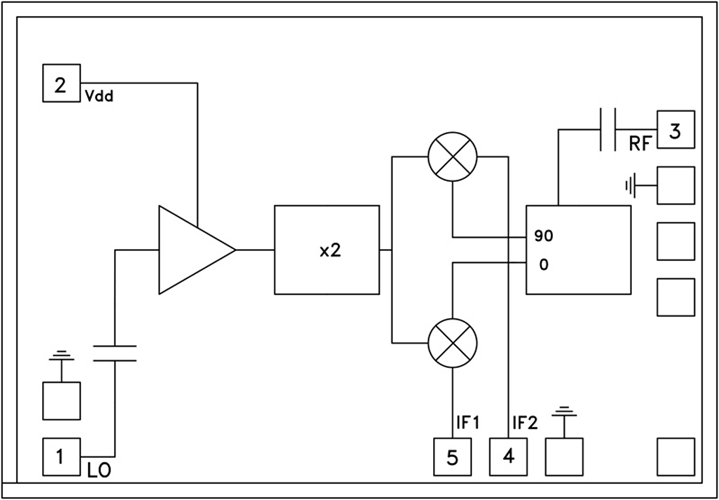
HMC404IC電子配件是一個款集成系統LO拖動器的次諧波(x2) MMIC鏡象壓制混頻器,能夠用作上交流伺服電機器這一物件或下交流伺服電機器這一物件。 該IC電子配件根據GaAs PHEMT方法,IC電子配件總體平數為2.31mm2。 片內90°混合型配件帶來不錯的振動幅度和相位平穩性能參數,鏡象壓制不小于22 dB。 LO拖動器用于單偏置(+4V)雙極的設計,僅需+2 dBm的標稱驅動軟件。
|
品牌
|
型號
|
描述
|
貨期
|
庫存
|
|
ADI
|
HMC404
HMC404-SX
|
GaAs MMIC次諧波IRM混頻器芯片,26 - 33 GHz
|
現貨
|
238
|
HMC404應用(yong)
-
26至33 GHz微波無線電
-
針對點對點無線電應用的上下變頻器
HMC404優勢和特點
-
集成LO放大器: +2 dBm輸入
-
次諧波(x2) LO
-
鏡像抑制: 22 dB
-
小尺寸: 1.90 x 1.25 mm
HMC404結構圖
