HMC685LP4E/HMC685LP4ETR高gif動態依據ibmsLO調大器 ADI期貨
發(fa)布了時段:2018-07-05 11:41:27 預覽(lan):2117
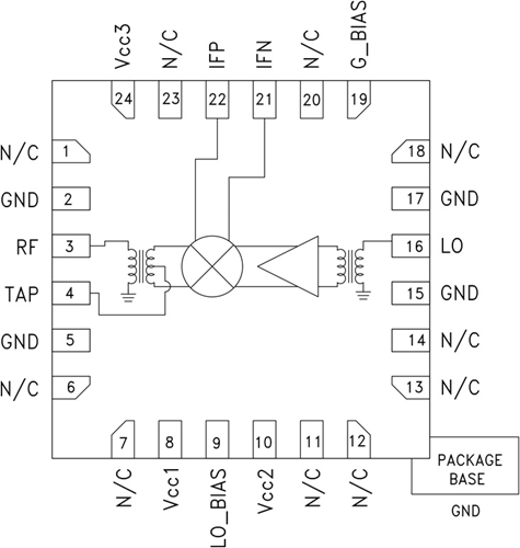
HMC685LP4(E)不是款高動態化區域無源MMIC混頻器,ibmsLO放小器,用到4x4 SMT QFN封口,任務頻段為1.7 - 2.2 GHz。 LO推動為0 dBm時,3G和4G GSM/CDMA運用都可以榮獲+32 dBm的優秀顯示IP3下變頻器效果。 用到1 dB (+27 dBm)縮小時,RF端口處扶持各類顯示預警電平。 轉化成耗率典型性指標值8 dB。 DC至500 MHz的IF頻段反映就能滿意GSM/CDMA放出或吸收頻段設計規劃需要。 HMC685LP4(E)與HMC684LP4(E)引腳兼容,另外一個不是款ibmsLO放小器的700 - 1,000 MHz混頻器。
|
品牌
|
型號
|
描述
|
貨期
|
庫存
|
|
ADI
|
HMC685LP4E
HMC685LP4ETR
|
集成LO放大器的BiCMOS混頻器,1.7 - 2.2 GHz
|
現貨
|
158
|
HMC685LP4應(ying)用(yong)
-
蜂窩/3G和LTE/WiMAX/4G
-
基站和中繼器
-
GSM、CDMA和OFDM
-
發射機和接收機
HMC685LP4優勢和特點
-
高輸入IP3:+35 dBm
-
8 dB轉換損耗(0 dBm LO)
-
針對低端LO輸入優化
-
可調電源電流
-
上變頻和下變頻應用
-
24引腳4x4mm SMT封裝:16mm2
HMC685LP4結構圖
