HMC6146BLC5A/HMC6146BLC5ATR無線網絡電可變性增益值上調頻器 ADI現貨交易
發布了日期:2018-07-04 10:06:39 手機瀏覽:6780
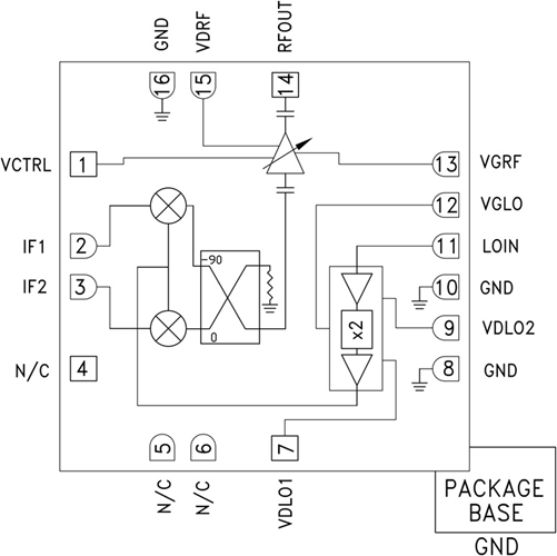
HMC6146BLC5A有的是款家用suvsuv型GaAs MMIC I/Q可變性氣門正時收獲上直流軟啟動,利用了無引腳RoHS兼容型SMT封裝類型。 該電子器件給出數據12 dB小網絡信號轉成收獲,包括25 dBc邊帶減弱和17 db收獲有效控制。 HMC 6146BLC5A利用了RF可變性氣門正時收獲變大器,在其此前為一兩個I/Q混頻器,LO由X2倍頻器驅動器。 給出數據IF1和IF2混頻器進入,與此同時可能夠 其他90°混合型喂養考慮要求邊帶。
I/Q混頻器拓補較低了根據干憂邊帶去濾波的想要。 HMC6146BLC5A有的是款更小巧玲瓏、可不可以代換混雜單側帶著調頻器的產品的,不支持表貼制造廠技術性,不能自己線焊。
|
品牌
|
型號
|
描述
|
貨期
|
庫存
|
|
ADI
|
HMC6146BLC5A
HMC6146BLC5ATR
|
GaAs MMIC I/Q上變頻器,40 - 44 GHz
|
現貨
|
198
|
HMC6146BLC5A應用
-
點對點與
點對多點無線電
-
軍用雷達、EW與ELINT
-
衛星通信
HMC6146BLC5A優勢和特點
-
轉換增益:12 dB
-
邊帶抑制:25 dBc
-
2LO至RF隔離:15 dB
-
高輸出IP3:+27 dBm
-
16引腳5x5 mm陶瓷封裝:25 mm2
HMC6146BLC5A結構圖
