這個行業快訊
頒布日子(zi):2018-07-03 13:48:22 訪問 :1993
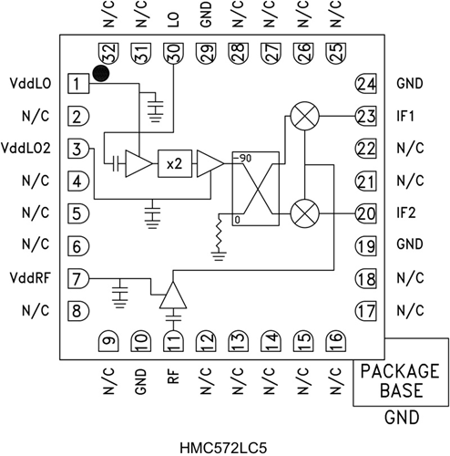
該鏡像抑制混頻器使得LNA之后無需使用濾波器,并可消除鏡像頻率下的熱噪聲。 它具有I和Q混頻器輸出,所需外部90°混合型器件用于選擇所需邊帶。立維創展 ADI期貨 HMC572LC5為混合(he)型鏡像抑制混頻(pin)器(qi)下變頻(pin)器(qi)組件的小(xiao)型替代器(qi)件,它(ta)無需線焊(han),可以使(shi)用表貼制造技(ji)術。
| 品牌 | 型號 | 描述 | 貨期 | 庫存 |
| ADI |
HMC572LC5 HMC572LC5TR |
I/Q接收機,采用SMT封裝,24 - 28 GHz | 現貨 | 156 |
HMC572LC5優勢和特點
