HMC1063LP3E/HMC1063LP3ETR狹窄型I/Q MMIC混頻器 ADI現貨黃金
上架期限:2018-07-02 14:41:15 看:1899
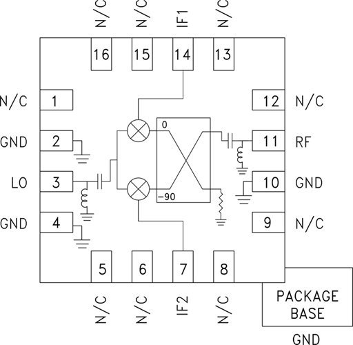
HMC1063LP3E一款狹窄型I/Q MMIC混頻器,主要所適用“無鉛”SMT封裝類型,能用在作鏡像軟件軟件克制混頻器或單側隨身攜帶調頻器。 該混頻器主要所適用3個細則Hittite雙和平混頻器單元尺寸和其中一個直角交織式物元器,均主要所適用GaAs Schottky電子元集成電路芯片大家庭中的一員-二極管施工工藝制做。 底頻正交交織式物元器主要用于生產1,000 MHz LSB IF內容輸出。 該新產品為交織式物型鏡像軟件軟件克制混頻器和單側隨身攜帶調頻器元件的不同規格的中小型用作元器。 HMC1063LP3E不要線焊,能運行表貼制做技能。
|
品牌
|
型號
|
描述
|
貨期
|
庫存
|
|
ADI
|
HMC1063LP3E
HMC1063LP3ET
|
GaAs MMIC I/Q混頻器,24 - 28 GHz
|
現貨
|
259
|
HMC1063LP3E應用
-
點對點和點對多點無線電
-
軍用雷達、EW和ELINT
-
衛星通信
-
傳感器
HMC1063LP3E優勢和特點
-
低LO功率: 10 dBm
-
寬IF帶寬: DC - 3 GHz
-
鏡像抑制: 21 dBc
-
LO/RF隔離: 40 dB
-
高輸入IP3: 17 dBm
-
16引腳3x3 mm SMT封裝: 9 mm2
HMC1063LP3E結構圖
