行業中介紹
頒布時長:2019-12-20 15:27:36 挑選:1916
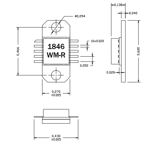
AM184635WM-EM-R是AMCOM的砷化鎵MMIC功率放大器系列的一部分。它有30dB增益和35dBmP1dB,在2.2到4.2GHz頻段。這個MMIC是一個陶瓷封裝,射頻和直流引線都在較低的水平便于低成本的SMT組裝到PC板上。當直接安裝到PCB上時,請參見申請說明AN700。由于高直流功耗,我們強烈建議安裝這些設備直接安裝在金屬散熱器上。AM184635WM-FM-R是安裝在鍍金銅法蘭托架。EM封裝與FM封裝具有相同的封裝尺寸,采用直引線用銅/鎢法蘭代替銅法蘭。法蘭上有兩個螺孔,以便擰上金屬散熱器。這個MMIC是符合RoHS的。

AM184635WM-EM-R有特點
從1.8到4.6GHz的帶寬
高所在輸出阻抗,P1dB=35dBm
高增加收益,30dB
已經匹配好;50歐姆手機輸入/所在輸出阻抗
AM184635WM-EM-R運用
無線數字互上網網傳輸
手機無線本地服務環路
雙相無限電
AM184635WM-EM-R主要參數值
率:1.8-4.6GHz
增益值:30
P1dB(DBM):35
PSAT(DBM):37
率:25
VD(V):7
成都市立維創展信息技術是AMCOM集團總進口代理,其重要微波微波射頻網絡帶寬成品是指微波射頻晶狀體管、MMIC輸出縮放器、分層縮放器引擎、寬帶網縮放器、高輸出縮放器引擎、帶RF和DC接觸器的高工作電機功率放小器方案和低低頻噪音放小器,工作電機功率放小器,旋轉開關,衰減器,移相器相應上/接下來直流變頻空調器的制定。