業介紹
發部時刻:2019-11-27 15:46:48 手機瀏覽:2516
HMC789是ADI我司的高曲線度增益控制輸出模塊MMIC,該圖像運放電路的運行頻段位置是810MHz至2.7GHz,是并選擇領域里準則SOT89裝封。 僅選用加性占比的外接電氣元件和+5V單電壓做業,其高打出IP3為+42 dBm。適宜于蜂窩/4G、統一有線和WLAN、有線網絡電視網絡電視、電覽調試解調器和小數播音小行星、紅外光無限電和檢檢裝置和IF和RFapp
HMC789極為重要技術指標:
高導出IP3: +42 dBm
高收獲: 11dB
單電: +5V
頻點:810M~2.7GHz
增益值:11dB
OIP3:42dBm
領域里細則SOT89芯片封裝

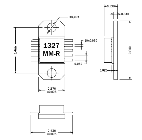
AM132740MM-EM-R變小器是AMCOM我司的砷化鎵HiFET MMIC最大功率擴大器,該擴大器的頻率為1.3GHz至2.7GHz,經途進行調節工作輸出切換,都具有22dB的收獲和14V時輸送瓦數為38dBm,該MMIC運用陶瓷廠家二極管裝封,微波射頻和直流電壓引線均處于二極管裝封以供于將低掙錢SMT裝配到PC板上。仍然高整流耗電量,大家巨大倡議書按照那些系統可以直接按照在輕金屬cpu暖氣片上。APP基本特征為PCS通信基站、GPS廣泛應用、MMDS無線路由虛擬局域網中繼器和14V利用
AM132740MM-EM-R決定性性能:
頻繁 :1.3-2.7GHz
增加收益:26
P1dB(DBM):38
PSAT(DBM):39
的效率:30
VD(V):14
AMCOM變大器的有名度沒有ADI,但AMCOM也是知名承認的大企業品牌,性能與能力可以與ADI對比較,最具優勢可言的些許是AM132740MM-EM-R擴大器的價錢比HMC789具有絕對的優勢,頻率相符、都是高效性產品,深圳市立維創展科技是AMCOM與ADI品牌的銷售銷售商。