HMC847LC5髙速4:1多路復接器 ADI現貨黃金
推出時:2019-02-20 16:15:19 查詢:1768
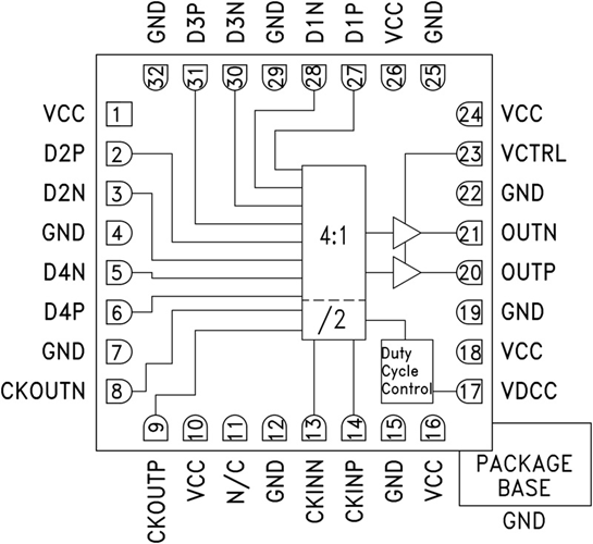
HMC847LC5都是款4:1多路重復運行器,設計構思在45 Gbps大數據資料源串行操作。 多路重復運行器在輸入石英鐘的轉為點鎖存十二個差分輸入。 該電子器件運行半時延石英鐘的增加沿和減少沿來串行發送大數據資料源。 片內合成1/4時延石英鐘導出,與HMC847LC5的大數據資料源導出云同步。
HMC847LC5的因此掛鐘和參數進入/轉換均應用CML并順利通過片內50 Ω端接至VCC,可應用直流變壓器或互動交叉性耦合。 HMC847LC5的進入和轉換可應用差分或單端性能運行。 HMC847LC5還模塊化一款轉換電平把控好引腳VCTRL,可作于耗率拆遷補償或表現電平改進。 VDCC引腳把控好參數轉換交叉性點與占空比。 HMC847LC5應用+3.3V單電源開關送電,給出達到ROHS標的5x5 mm SMT二極管封裝。
|
品牌
|
型號
|
貨期
|
庫存
|
|
ADI
|
HMC847LC5
|
1周
|
120
|
要是您必須下單HMC847LC5,請點擊量右測克服電話聯系小編!!!
HMC847LC5應運
-
SONET OC-768
-
RF ATE應用
-
寬帶測試和測量
-
串行數據傳輸高達36 Gbps
-
高速DAC接口
HMC847LC5優勢和特點
-
支持高達36 Gbps的數據速率
-
半速率時鐘輸入
-
?速率參考時鐘輸出
-
快速上升和下降時間: 11/12 ps
-
可編程差分輸出電壓擺幅: 250 - 900 mVp-p
-
單電源: +3.3V
-
32引腳5x5mm SMT封裝: 25mm2
HMC847LC5示意圖
