HMC487LP5E/HMC487LP5ETR所采用SMT二極管封裝2瓦特最大功率增加器 ADI現貨交易
分享時間段(duan):2018-06-25 15:48:33 手機(ji)瀏覽(lan):2521
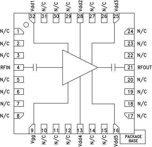
HMC487LP5(E)不是款高動態圖片規模GaAs PHEMT MMIC 2瓦特輸出馬力調小器,選取無引腳5x5 mm接觸面層貼裝芯片封裝。 該調小器在9至12 GHz的上班頻率下上班,供給20 dB的增益值、+33 dBm的過剩輸出馬力和20%的PAE,供電電流值為+7V。 輸出IP3為+36 dBm(典型性值)。 RF I/O為隔直串口,并識別至50Ω,采用簡便。 HMC487LP5(E)免線焊,準許采用接觸面層貼裝制作業高技術。
|
品牌
|
型號
|
描述
|
貨期
|
庫存
|
|
ADI
|
HMC487LP5E
HMC487LP5ETR
|
2瓦特功率放大器,采用SMT封裝,9 - 12 GHz
|
現貨
|
223
|
HMC487LP5應用
-
點對點無線電
-
點對多點無線電
-
測試設備和傳感器
-
軍事最終用途
HMC487LP5優勢和特點
-
飽和功率: +33 dBm(PAE為20%時)
-
輸出IP3為+36 dBm
-
增益為20 dB
-
+7V、1300 mA電源
-
50 Ω匹配輸入/輸出
-
25 mm2無引腳SMT封裝
HMC487LP5結構圖
