職業咨詢
發布的時刻:2018-06-25 14:52:49 瀏覽器:2022
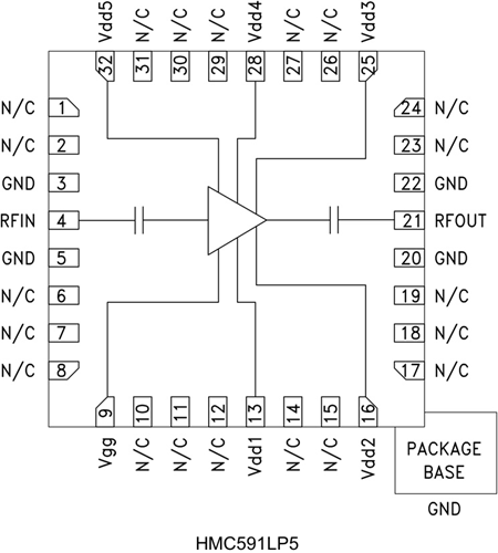
HMC591LP5(E)是一個(ge)款高(gao)動圖范疇GaAs PHEMT MMIC 2 W電(dian)率圖像變(bian)大(da)儀(yi),本職工作(zuo)(zuo)速度范疇為(wei)6至9.5 GHz。 該圖像變(bian)大(da)儀(yi)展示(shi) 18 dB增益控制,飽和電(dian)率為(wei)+33 dBm,電(dian)阻(zu)電(dian)阻(zu)為(wei)+7V (19% PAE)。 此圖像變(bian)大(da)儀(yi)切換50 Ω,不必(bi)所有的間接(jie)構(gou)件,RF I/O經(jing)途隔直,以展示(shi) 穩定性的安(an)全性能(neng)。 而(er)言(yan)(yan)要(yao)有適宜(yi)OIP3的技術用途,Idd應(ying)快速放置為(wei)940 mA以會導(dao)致(zhi)+41 dBm OIP3。 而(er)言(yan)(yan)要(yao)有適宜(yi)工作(zuo)(zuo)輸出電(dian)壓P1dB的技術用途,Idd應(ying)快速放置為(wei)1,340 mA以會導(dao)致(zhi)+33 dBm工作(zuo)(zuo)輸出電(dian)壓P1dB。
品牌
型號
描述
貨期
庫存
ADI
HMC591LP5,HMC591LP5E
HMC591LP5ETR,HMC591LP5TR
2 W功率放大器,采用SMT封裝,6.0 - 9.5 GHz
現貨
158
HMC591LP5優勢和特點
+33 dBm (20% PAE)
