AM183031WM-EM-R功率放大器原裝庫存
2019-12-20 15:02:38
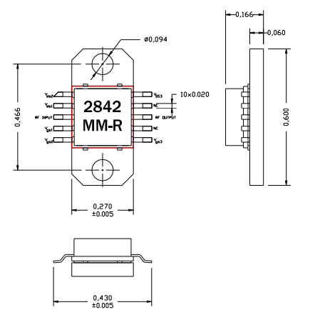
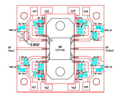
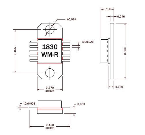
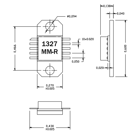
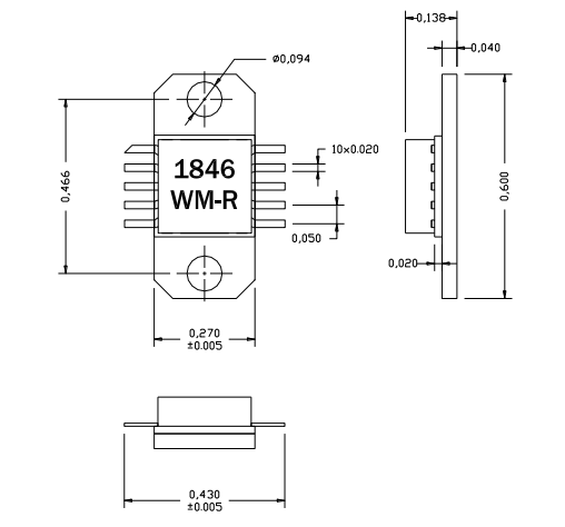
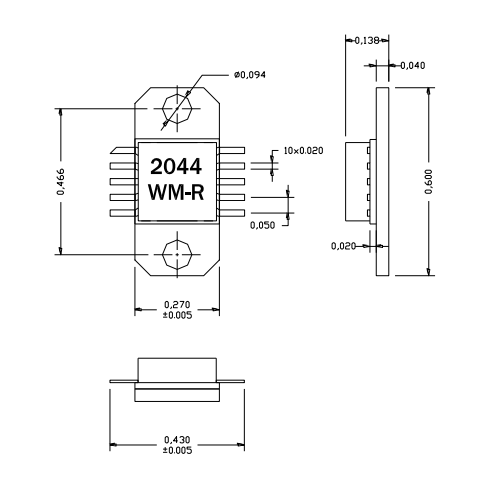
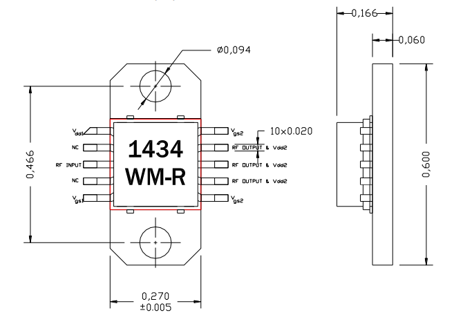
AM183031WM-EM-R?是AMCOM的砷化鎵MMIC傳輸公率縮放器系列表的一臺分。它有30.分之五貝的收獲還是1.6到3.3GHz頻率段上的31.5dBm傳輸傳輸公率。該MMIC是個陶瓷圖片芯片裝封,都具有微波射頻和直流電電引線在較低基本要素的芯片裝封,以便低生產成本的SMT折裝到PC板。當間接按裝到進行印刷線路板,請參與適用詳細說明AN700。基于高直流電電耗電量,我們公司意見將這樣的系統間接按裝在塑料件蒸發器器上。AM183031WM-EM是個直引線的放式芯片裝封。AM183031WM-FM-R是按裝在電鍍銅法蘭盤部支撐架上的AM183031WM-BM-R。有法蘭盤部中有兩只螺孔,更好地擰到塑料件蒸發器器上。這位MMIC是包含RoHS的。