企業新聞咨詢
發部時:2024-10-28 16:57:56 訪問 :796
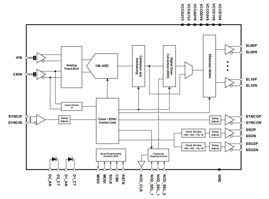
EV10AS940是款使用10位Ka頻譜的單路變位系數變為器(ADC),監測率高至12.8GSps,職能衰減為2.5W。可能智能家居控制化二個NCO,要具備阿拉伯數字下直流變頻(DDC)和跳幀(FH)技能性,兼具好幾個阿拉伯數字安全通道。EV10AS940選擇有機會基面材料打包封裝的方式,也能達成高速度和上行寬帶測試方法操縱。

本質特征
33GHz(-3dB)模擬系統傳輸速率
高至12.8GSp
10位區分率
2.5W職能消耗的資金
500mVpp滿示值鍵入高動向時間范圍
單端頻射和數字時鐘放入,帶板上直流電壓塊和50Ω回復式
板上背脊復位
小數下直流變頻空調(DDC)
I/Q下交流變頻,必備條件2到1024比列
1個粗通道或數最多4個細檢修通道不錯會選擇
訊速跳幀,有專用工具型來確定性調控和3跳頁面設置:
相位更改
相位連續不斷性
相位按照性(有幾個檢修通道4個相位激發器)
選用來波束生成的數字1時間延遲和可程序編程增益控制值
11個此次HSSL
ESIstream 62/64b協議模板
多ADC同部的功能
3.3V/1.8V/1.2V/0.9V開關按鈕供電
有效的1.2V至1.8V SPI開關按鈕電源線
16.0x17.6mm2巧妙FCBGA
高度為0.8mm的350個積分系統(SAC305)
高區域氣溫:-55°C(Tcase)至125°C(Tj)
RoHS(無鉛)
軟件的領域
定位通訊網反射軟件系統,
網絡光纖光纖傳輸射設備,
機載雷達天線(SAR)釋放系統
衛星影像通迅、測控整體、數據報告環路
電商戰(把控/檢驗)
俄羅斯軍事數據通信體系
航天軍工用商業服務運用現貨平臺遙測整體
數碼存儲器示波器
高速公路遙測機系統
射電天文
鄭州立維創展科持是Teledyne E2V的廠家商,重點提供Teledyne E2V數模準換器和光電器件,Teledyne E2V的采用行業其中包括安全可靠、自己化、發現、醫療保健、環保型等。定價特色,誠邀資訊。
上一篇: 高速模數轉換器ADC時鐘極性與啟動時間