相關行業新聞咨詢
公布準確時間:2024-08-28 09:34:49 搜素:5916

主要特點
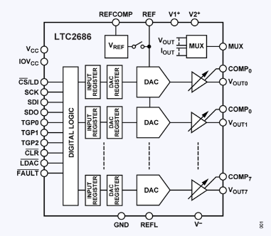
管道數與識別率:LTC2686保證7個自己的DAC管道,每個管道還具有16位識別率。 模擬輸入標準:每位入口通道的模擬輸入標準行經濟獨立編譯程序,適配種模擬輸入標準,例如0 V至5 V、0 V至10 V、±5 V、±10 V和±15 V。 連著函數性:該DAC維持連著函數性,抓實在其他基本操作先決條件下打印輸出工作電壓的連著性和可預計性。 的輸送緩存區器:自帶軌到軌的輸送緩存區器,能提供數據或吸納獨角獸高達55 mA的電流大小。 原則端相工作電壓降源:企業內部4.096 V細密原則端相工作電壓降源,認可高精確度工作輸出端相工作電壓降配置。間接原則端相工作電壓降源也可以使用于括展面積選擇。 可c語言程序設計失形成增加收益控制:實現可c語言程序設計失形成增加收益控制寄存器,進一部不斷提高DAC模擬輸出的導致精度。 接口標準方式:適用SPI和MICROWIRE兼容的二線串行接口標準方式,可在低至1.71 V的方法論電靜謐多達50 MHz的秒表平率下本職工作。 封口:作為6 mm x 6 mm的40引腳LFCSP和4.5 mm × 4.5 mm的64引腳WLCSP幾種封口頁面設置。應用領域
LTC2686適用性于各種高精確度操縱和檢測用途,還包括: - 光纖傳輸網上 - 醫療儀器電子儀表 - 數據分析爬取 - 手動測試英文機器設備 - 歷程調整和化學工業自動式化其他特性
INL隨機偏差:較大 集分非波形(INL)隨機偏差為±3 LSB(LTC2686-16)和±0.75 LSB(LTC2686-12)。 溫差維持性:基準線直流電壓源的溫差維持性為±10 ppm/°C(最高值)。 多路復接器:模擬仿真多路復接器抽象化了傷害電壓電流電壓、負載電阻電壓電流和結溫的測量方法。 主機電源線模塊:能夠敏銳的單主機電源線模塊或雙主機電源線模塊電力。上一篇: 高速模數轉換器ADC時鐘極性與啟動時間
下一篇: AD8139低噪聲軌到軌差分ADC驅動器