AD9176雙出入口16數字模改換器(DAC)
發表精力:2024-06-12 09:21:24 查詢:7044
AD9176是ADI一款高性能的雙通道16位數模轉換器(DAC),支持高達12.6 GSPS的DAC采樣速率。它采用了8線15.4 Gbps
JESD204B數據輸入端口,以及高性能的片內DAC時鐘倍頻器和數字信號處理功能,非常適合于單頻段和多頻段直接到射頻(RF)無線應用。
| Model' | Temperature Range | Package Description | Package Optio |
AD9176BBPZ AD9176BBPZRL AD9176-FMC-EBZ | -40℃to+85℃ -40℃ to+85℃ | 144-Ball Ball Grid Array,Thermally Enhanced [BGA_ED 144-Ball Ball Grid Array,Thermally Enhanced [BGA_ED] Evaluation Board | BP-144-1 BP-144-1 |
該DAC的優勢比如每一家RF
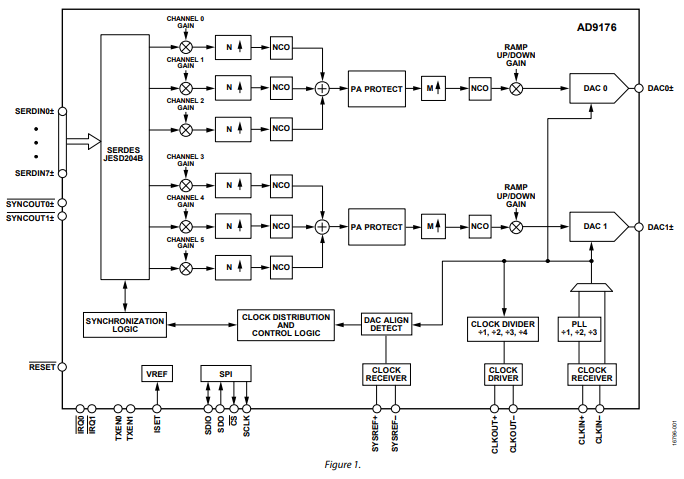
DAC大大統計資料資料顯示統計路線兼具五個復接大大統計資料資料顯示統計輸進出入口,每一家輸進出入口都行以截然旁通。每一家大大統計資料資料顯示統計輸進出入口(或頻帶會選擇器)帶有可安排的增益值級、內插濾波器和應用于靈活多變多頻段計劃的出入口精機震蕩器(NCO)。AD9176鼓勵萬代達3.08
GSPS的復接大大統計資料資料顯示統計頻率(I/Q),或萬代達6.16 GSPS的非復接大大統計資料資料顯示統計頻率(預期),并能將倆個復接輸進大大統計資料資料顯示統計流安排給鎖定出入口做好單獨的進行處理。

AD9176還蘋果支持加寬大的數據顯示報告報告強度模式切換,能接受繞過去無線信道選擇器和主大的數據顯示報告報告方法,作一個每個16位DAC保證達到了6.16
GSPS的最明顯大的數據顯示報告報告強度,或作一個雙路16位DAC保證達到了3.08 GSPS的最明顯大的數據顯示報告報告強度,或作一個雙路12位DAC保證達到了4.1 GSPS的最明顯大的數據顯示報告報告強度。 AD9176通過144球BGA_ED封裝,適于于移動通迅理論知識配套設施、多頻段移動通信基站移動電、微波射頻/E頻段往返體統、儀器設施設備儀器、手動測評設施設備(ATE)、聲納和要素器等應該用。其成品少數民族特色包涵低工作電壓多短信通道雙路DAC制作,鼓勵單頻段和多頻段移動應該用,很大復接統計數劇濃度獨角獸更是獨角獸高達3.08
GSPS(16位辨別好壞率)和獨角獸更是獨角獸高達4.1 GSPS(12位辨別好壞率),以其加寬下行帶寬單路DAC狀態,鼓勵獨角獸更是獨角獸高達6.16 GSPS的統計數劇濃度(16位辨別好壞率)。 特點幾個方面,AD9176蘋果支撐多頻段無線網應用領域,每次RF DAC包括3個可旁路重復食用動態信息輸出通暢,每次輸出通暢的非常大重復食用輸出動態信息帶寬達3.08
GSPS,每次輸出通暢包括15個獨立自主的NCO,專業的低雜散和偏色設置,靈巧的8線、15.4 Gbps
JESD204B接口協議,蘋果支撐單頻段和多頻段食用例案,蘋果支撐12位高比熱容模試,多心片同步軟件,蘋果支撐JESD204B子類1,先選擇內插濾波器,1×、2×、3×、4×、6×和8×可搭配動態信息通暢插值,1×、2×、4×、6×、8×和12×可搭配以后插值,以后的48位NCO,以DAC帶寬正常運作,可蘋果支撐到達6
GHz的次數制作而成,發射衛星使能功能性可實行格外低耗電和在下游電線保證,高機械性能、工作噪音小源PLL鐘表倍頻器,蘋果支撐12.6 GSPS
DAC最新率,包括先選分頻比的觀察植物ADC鐘表控制器,還有低輸出最大功率設置,2.54 W最大功率,包括5個以12 GSPS正常運作的DAC,DAC
PLL關掉,包括重金屬增進防曬隔熱膜蓋的10 mm × 10 mm 144球BGA_ED裝封,排距為0.80 mm。
深圳市立維創展科技是ADI的代理商商。ADI處理器物品供給:變成器、曲線物品、的數據變為器、音頻播放物品、網絡帶寬物品、鐘表和訂時IC、光仟和光仟無線通信物品、usb接口和連續、MEMS和感應器器、電源面板開關和熱經管、代理器和DSP、rf射頻和多邊形代理器、面板開關和分路器等。
大地方的產品,均出示現貨交易交易量供貨周期。*地方規格需申請表出口值經營許可證 ,的歡迎咨詢了解!!!