市場知識
發布了時光:2022-05-20 17:10:16 搜索:2072
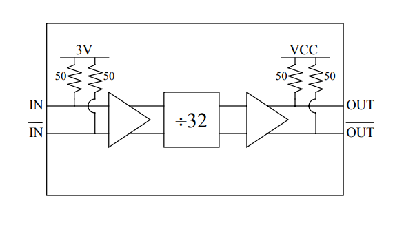
DV032是EUVIS的16針3x3mm塑料QFN高速封裝除以32靜態分頻器。由于輸入靈敏度高,輸出相位噪聲低,小規格尺寸,DV032廣泛應用于移動通訊、儀器儀表、無線電/雷達等領域。DV032接收0.2GHz(正弦波、直流方波)14GHz輸入頻率,需要一個 5V的單電源。

注意特征英文
?0.2-14GHz網絡帶寬
?低相位噪聲污染:-140 dBc/Hz
?高輸人靈活度:-25 dBm
?打出震幅:800 mVp-p(差分)
?差動輸進和效果
?50? 讀取/導出特性阻抗
?單24v電源:+5V
?電流大小消耗脂肪:72mA
?16針3x3mm朔膠QFN二極管封裝
蘇州市立維創展新材料技術是EUVIS的供應商商供應商商,大部分給予EUVIS的全球排名知名的迅速數模轉變成DAC、真接數子的頻率煉制器DDS、重復使用DAC的IC芯片級設備,、高速度搜集板卡、動態數據弧形遭受器等設備,原裝機期貨,費用好處,歡迎會咨詢了解。
內容掌握EUVIS請點選://www.zb5858.cn/brand/24.html