領域方式
披露時間段:2022-05-09 16:50:04 查看:1218
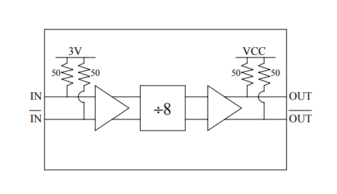
DV008是款16針3x3mm塑料件QFN芯片封裝的高速的8分頻器。會因為其高插入快速性、低打出相位噪聲污染和小年紀長寬高,DV008有點適從網咯數據通訊、檢測儀器環保設備、無線路由電/雷達觀測觀測到診療服務保障等多方面運用。DV008符合差分手機輸入和內容輸出,可配收從0.2GHz(余弦波、整流方波)到14GHz的進入規律。需要一些+5V的打開開關電源電路。

注意共同點
?0.2-14GHz上行寬帶
?低相位的噪音:-140dBc/Hz
?高錄入靈敏度性:-25dBm
?導出震幅:800mVp-p(差分)
?差分投入和所在
?50?輸出/內容輸出抗阻
?單電源模塊直流電源模塊:+5V
?電壓損耗率:75mA
?16針3x3mm塑料件QFN封裝形式
東莞市立維創展自動化是EUVIS的加盟生產商商,重要供應EUVIS的全國權威的快速數模換算DAC、進行數字6聲音頻率合出器DDS、復接DAC的電源芯片級的產品設備,、速度獲取板卡、新動態弧形引發器等的產品設備,原版現貨交易,價位長處,受歡迎諮詢。
情況熟悉EUVIS請點一下://www.zb5858.cn/brand/24.html