企業內容
發布新聞的時間:2021-08-25 16:57:49 搜素:2467
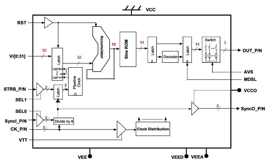
EUVIS MD653D是繞城高速12個數摸具變換器(DAC),集為48:12(12工作區4:1)填寫豐富復接器。片上的DAC并能以達4.5Gsps的采樣率運作。EUVIS DAC的虛擬讀取要能在常規維護玩法(適采用于首例奈奎特頻率段)或零方法(應采用一是、第二個和3.個奈奎特頻寬)的運營相互間實現挑。差字母數劇插入接口協議與LVPECL、LVDS和CML兼容。48對差中考分數據顯示多路多路復用到4倍的濃度后,12個高速收費站數據表格地理位置被定位和商品編碼能夠DAC模擬打出含量。增強模擬打出有50個-輸出反向終止。EUVIS提供除以4的座鐘打印輸出和原材料相位挑好(SEL1和SEL2),整合檢樣相位對放入數據信息的兩端兩端對齊。還展示8分鐘左右本身的所在。為要求資料一起多MD653D輸送的機系統用程序代碼供給解鎖功能鍵傳感器。

注意特證。
DAC各復制粘貼地點的4:1再通過比。
可以達到4.5Gsps速率單位的12位識別率DAC。
DAC模擬機模擬輸出后綴名才可以在常規性提升(NH)狀態或零(RZ)基本模式范圍內篩選。
50項出貨-后殼終端機。
為數值同樣可以提供了專一性的4分頻和8分頻鐘輸送。
2.8w的功能模塊材料耗費。
調節整400~800mVPP單端內容輸出擺幅。
?任何差分手機輸入數值和校準對之間的片上100歐姆手持終端。
帶外突襯墊的LQFP二極管封裝。
成都市立維創展網絡是EUVIS的代理費代理商商,常見保證EUVIS的各國領先的快速路數模切換DAC、直接的自然數聲音頻率組成器DDS、多路復用DAC的處理器級類產品設備,并且高錄入板卡、信息弧形發生器等類產品設備,原廠期貨,價位的優勢,熱情接待顧問。
上一篇: 高速模數轉換器ADC時鐘極性與啟動時間
下一篇: Teledyne E2V雷達組件前端