的行業手游資訊
上線時刻:2020-08-31 15:09:54 網頁瀏覽:7361
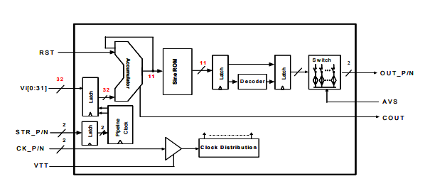
DS852是一種高速直接數字合成器,頻率調諧分辨率為32位,振幅分辨率為11位。DS852第一奈奎斯特波段的正弦波最大產生1.1 GHz。初始階段可以重置為零啟動。DS852芯片具有一對與50相連的互補輸出端子。輸出波形的頻率可由32位頻率控制位Vi[0:31]控制。DS852可以接受互補時鐘輸入或單端時鐘輸入,具有50Ω的片上后端終端和用戶定義的閾值。頻率字的輸入信號接受LVTTL或CMOS輸入電平。只需5.0伏電。

DS852主要的特征描述
32位平率調諧器和11位相位簽別率
具有著11位識別率的片上dac
秒表概率高達獨角獸2.5GHz
生成萬代高達1.2GHz的余弦波
50后臺開發互補性虛擬波型轉換
很差SFDR>50 dBc
LVTTL/CMOS數子頻帶寬度字放入
重設引腳以開機的時候0開始工作狀態
應用于更新時間頻點字和dac讀取頻繁 的繞城高速選通
高速度選通復制粘貼同意由單支機或DSPIC芯片保持DS852,實行實時交通啁啾模塊。
速度更新換代率可以達到8個數字時鐘階段
單-5.0V電壓的功能消耗為3.0W
64針QFN封裝類型
DS852app
預警雷達方案和測試
通訊衛星安全可靠
VSAT
光學戰
無線wifi移動信號塔
rf射頻數據源生產
醫療儀器和半導體材料測試圖片儀
先進典型通迅調試
蘇州市立維創展科持是EUVIS的加盟經售商,注意保證EUVIS的全.球頂級的高數模改換DAC、可以數字9聲音頻率合并器DDS、復用技術DAC的存儲芯片級廠品,各類繞城高速錄入板卡、靜態弧形發生器等廠品,原廠期貨,收費勝機,歡迎語詢問。