TQP7M9105小型蜂窩基站5V高線性度驅動放大器 Qorvo現貨熱銷
2018-07-26 14:12:01
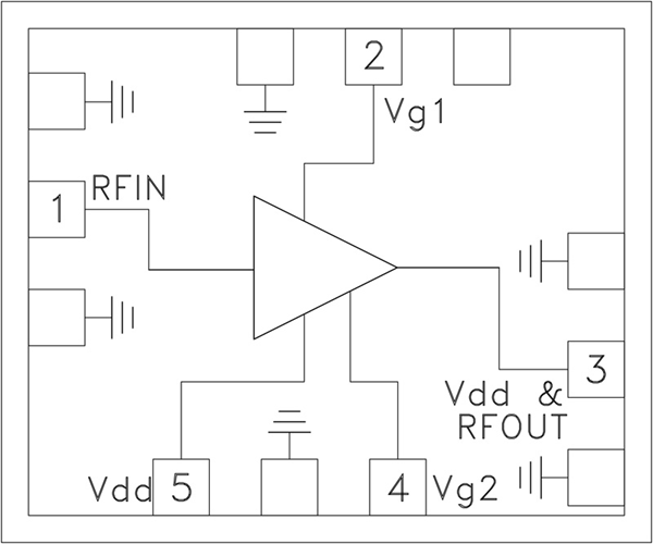
Qorvo的TQP7M9105是1W 5V小蜂窩信號塔?高曲線度驅動程序縮放器,采用了規格SOT-89外觀貼裝封裝類型。在0.9 GHz時,TQP7M9105展示 數據19.4 dB收獲,超長49 dBm OIP3和+30 dBm縮減1dB最大功率,互相吸納至關低的220 mA電流大小。的內部三極管支持縮放器展示 數據具備“AB類”成功率的“A類”曲線性網絡能。TQP7M9105一般包括片上實行的增添申請功能表,使其與市場上的許多廠品不同之處不同種類