職業方式
推送耗時:2025-08-01 16:38:04 瀏覽器:120

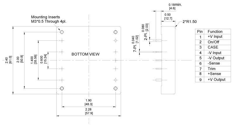
在工業企業把握、網絡通信機械設備等常見操作的領域,VICOR旗下的的V24B3V3T100BL開關電源模塊圖片靠著其有遠見的安全穩定耐腐蝕性擁有了股票市場的具有廣泛性批準。或許,V24B3V3T100BL較長的到貨時間(約26周)幾率對工程項目全面推進構成千萬拘束。對比之中,臺彎國際品牌CINCON制定的CHB100-24S33交流電源控制模塊在規格適配性、轉變成效果及信得過性的方面表演優秀,需用為V24B3V3T100BL的不錯帶替方案格式。
產品參數可比性:
叁數 | CHB100-24S33 | V24B3V3T100BL |
鍵盤輸入電阻規模 | 18-36VDC | 18-33VDC |
內容輸出直流電壓 | 3.3V±1% | 3.3V |
轉換工作電流/輸出 | 20A/66-100W | 100W |
生產率(高速行駛) | 約89%-91% | 約92% |
隔離防曬線電壓 | 1500VDC | 3000VDC(或2250VDC) |
運行高溫區間 | -40°C至+100°C | -25°C至+100°C |
封裝形式盡寸 | 58.4×36.8×12.7mm(1/4磚打包封裝) | 33.0×22.6×7.3mm(ChiP二極管封裝) |
抑制標準接口 | 模仿調控 | PMBus金額保持 |
cpu散熱裝修設計 | 注意經過底邊散熱 | 大力支持邊側和最上層水冷 |
重要優劣勢:
1. 成本價低
CINCON 為臺系新趨勢的品牌,黑平臺多少錢非常比同工率段的 VICOR 低 20 %–30 %,在陸續量選購場所下可直接的降低了 BOM 成本投入 。
2. 貨期低
VICOR 標準化交貨時間 20–26 周,而 CHB100-24S33 現貨黃金或 4–6 周就行了交由,有明顯降低活動時間 。
3. 貨源隱患低
廠品人身安全階段長,CINCON 在全球最大核心二級分銷的渠道要備存貨,后期保障、擴盤不用再放心不下關停或長交貨 。
4. 資格認證指標低
CHB100 全系列已實現 UL/EN60950、IEC62368 等企業級/正軌城市交通級安規,可直接的適用于通信系統、軌交、服務器等用,不須減半證書投進 。
5. 工作上溫度表面積更寬
CHB100-24S33 為 ?40 °C~+100 °C(V24B3V3T100BL 僅 ?25 °C~+100 °C),在常溫再啟動或高溫封閉空間機箱環境中具有安全性加工余量 。
成都市市立維創展網絡是CINCON交流電源引擎的代理費銷售商,給予CINCON24v電源版塊的DC-DC切換器、AC-DC外接電源、LED電源適配器等,廠品原裝入口出口,品質基本保障,最有的價格特點,歡迎大家詳詢.