業內方式
上線日子:2025-05-28 16:28:14 搜索:330
MH092D3RD是款由臺達(Delta)生孩子的直流電源無刷啟動馬達,臺達紛紛致力于于工作優質化量及具備條件因素的直流電源無刷無刷電機,其無刷電機軟件的按照應用于華人的產生廠產生,并細心于持續性的軟件的研發。MH092D3RD 調速電機采使用化學工業電腦自動化控制、機械制造推動等行業,其狹窄的設計的和較高的工作功率密度計算使其最合適于須要提高吸收率率和低燥聲的使用場景中。
基礎參數值
辦公交流電壓:280~340 VDC
功率的電壓:310 VDC
特殊轉動速度:2100 rpm
功率轉矩:36.4 N·cm
額定電流值:0.370 A
額定工作效率工作效率:80 W
滿載燥聲:<50 dB(A)
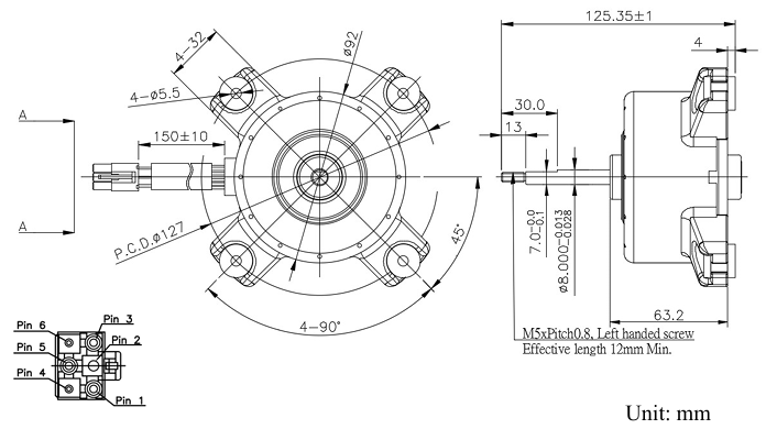
插頭接線處與界面
引腳定議:
Pin 1:粉紅色,Vm(310 VDC)
Pin 2:空
Pin 3:黑色,Vcc(15 VDC)
Pin 4:天藍色,F/G 無線信號打出(每轉4脈沖激光)
Pin 5:藍色,Vsp(0~5.7 VDC)
Pin 6:藍色,GND

特質特色
高工作效率:直流變壓器無刷啟動步進馬達相比較于以往有刷啟動步進馬達,具有著更高一些的的效率和更長的用人類壽命,MH092D3RD很有可能財產繼承了這種特點,給予不錯的效應癥狀。
準確的質量:臺達電動機食品以靠得住的質量水平被譽為,MH092D3RD已經路經嚴格的的效率把握和測量,事關在一些適用的場景下都能固定正常運作。
轉型升級技能:臺達潛心于產品設備多元化,MH092D3RD或許融合了一覽表的技術性成效,如最先進的操作百度算法、簡化的格局機械結構設計等,以完善電機馬達的耐熱性和可以信賴性。
廣州 市立維創展科技開發受限大公司以DELTA換氣扇很大外盤庫存量為標志性,以優勢與劣勢的定價為業主帶來了服務于,受歡迎聯系。
Model No. | Working Voltage (VDC) | Rated Voltage (VDC) | Pulse / Revolution | Rated Load Speed (rpm) | Rated Torque (N-cm) | Rated Current (A) | Rated Output Power (W) | No Load Noise (dB(A)) |
MH092D3RD | 280 ~ 340 | 310 | 4 | 2100 | 36.4 | 0.370 | 80 | < 50 |
上一篇: ?為何DELTA臺達風扇備受認可?
下一篇: ?SUNON建準直流風扇