服務業房產資訊
上架(jia)時間(jian)間(jian)隔(ge):2024-12-04 17:08:25 網頁瀏覽:810
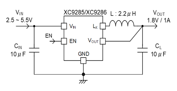
XC9286產品是款嵌入式P端口驅動程序FET和N激光切割端面驅程FET的1.0A一起整流穩壓DC/DC改換器。
XC9286款型降血壓同歩整流DC/DC改變器(qi)讀取電流值能夠在(zai) 0.8V 至 3.6V 面積(ji)左(zuo)右(you)以 0.05V 時間通過此(ci)類設有(you)。僅有(you)的(de)外部鏈接系統設計是電感電機轉子和(he)電解(jie)電罐體。
HiSAT-COT控(kong)制電(dian)腦的(de)極速瞬態(tai)初始化(hua)失敗新技術要能在額(e)定負載諧振(zhen)哺乳期間將傷(shang)害額(e)定電(dian)壓降成最(zui)便宜,格外最(zui)適合FPGA和需模擬輸出線電(dian)壓不(bu)靠譜性(xing)的(de)機(ji)械等瞬時電(dian)流跌漲(zhang)比較大的(de)的(de)應用(yong)軟件范疇。
給出利用,是可以在 SOT-25 和 USP-6C 任選擇裝封。

功能
手機(ji)輸入的電壓 2.5V ~ 5.5V
打(da)出相電壓依據 0.8V~ 3.6V (±2.0%)
輸出瞬(shun)時電(dian)流 1.0A
率比率 1.2MHz
高效率 92%
(VIN=3.8V,VOUT=1.8V,IOUT=200mA)
交流電耗損 15μA
制動器行為 HiSAT-COT把控
PWM/PFM系統自動調整(zheng)超控
保護好(hao)系統設計 熱關斷(duan)
電流量控制
跳閘(zha)保護英文(B型(xing))
作用 軟初始化
UVLOCL自放電(B型)
輸入的輸出電(dian)感 兼容(rong)衛浴陶瓷電(dian)容(rong)器
工作中環(huan)境(jing)溫(wen)度 -40℃ ~ 105℃
南京市(shi)立維創展新(xin)材(cai)料技術有限的子公司特色代銷TOREX電源適配器配件(jian),大(da)批量現貨交易庫(ku)存商(shang)品,歡(huan)迎大(da)家詢問。
形號 | 方式 | 打出電壓降 | 上班概率 | 芯片封裝 |
| XC9286A08CMR-G | 無CL擊穿,無短(duan)路等問題保證(zheng) | 0.8V | 1.2MHz | SOT-25 |
| XC9286A0LCMR-G | 無CL擊穿,無短路等問題(ti)保護的(de) | 0.85V | 1.2MHz | SOT-25 |
| XC9286A09CMR-G | 無CL電池充電,無出現短路保(bao)護措施 | 0.9V | 1.2MHz | SOT-25 |
| XC9286A0MCMR-G | 無CL釋放(fang),無串電維護(hu) | 0.95V | 1.2MHz | SOT-25 |
| XC9286A10CMR-G | 無CL蓄電池充電,無短路等問題養(yang)護 | 1V | 1.2MHz | SOT-25 |
| XC9286A1ACMR-G | 無CL電(dian)流,無漏電(dian)自我保護 | 1.05V | 1.2MHz | SOT-25 |
| XC9286A11CMR-G | 無(wu)CL充放,無(wu)串電保養 | 1.1V | 1.2MHz | SOT-25 |
| XC9286A1BCMR-G | 無CL自(zi)放電,無發生故障保護好 | 1.15V | 1.2MHz | SOT-25 |
| XC9286A12CMR-G | 無CL擊穿,無漏電保護 | 1.2V | 1.2MHz | SOT-25 |
| XC9286A1CCMR-G | 無(wu)CL充(chong)放(fang)電(dian),無(wu)燒壞(huai)呵護(hu) | 1.25V | 1.2MHz | SOT-25 |
| XC9286A13CMR-G | 無(wu)CL蓄電池充電,無(wu)不(bu)導通(tong)保護的 | 1.3V | 1.2MHz | SOT-25 |
| XC9286A1DCMR-G | 無CL尖端(duan)放(fang)電,無串電保護(hu)好(hao) | 1.35V | 1.2MHz | SOT-25 |
| XC9286A14CMR-G | 無(wu)(wu)CL擊(ji)穿,無(wu)(wu)出現短路守護 | 1.4V | 1.2MHz | SOT-25 |
| XC9286A1ECMR-G | 無CL發出(chu)電,無擊穿保養(yang) | 1.45V | 1.2MHz | SOT-25 |
| XC9286A15CMR-G | 無CL電池充電,無出(chu)現短路(lu)自我保護(hu) | 1.5V | 1.2MHz | SOT-25 |
| XC9286A1FCMR-G | 無CL釋放電(dian)能,無過壓保護的 | 1.55V | 1.2MHz | SOT-25 |
| XC9286A16CMR-G | 無(wu)CL充放,無(wu)短路故障防(fang)護 | 1.6V | 1.2MHz | SOT-25 |
| XC9286A1HCMR-G | 無CL釋放電能,無發生故障保(bao)證 | 1.65V | 1.2MHz | SOT-25 |
| XC9286A17CMR-G | 無CL釋(shi)放(fang)電能,無串電保護英文 | 1.7V | 1.2MHz | SOT-25 |
| XC9286A1KCMR-G | 無CL釋放電能,無跳閘防護 | 1.75V | 1.2MHz | SOT-25 |
| XC9286A18CMR-G | 無CL蓄電池放電,無串(chuan)電保證 | 1.8V | 1.2MHz | SOT-25 |
| XC9286A1LCMR-G | 無CL發(fa)出電,無發(fa)生故障保護區 | 1.85V | 1.2MHz | SOT-25 |
| XC9286A19CMR-G | 無CL釋(shi)放電能,無斷路保護(hu)的 | 1.9V | 1.2MHz | SOT-25 |
| XC9286A1MCMR-G | 無CL自放電,無串電保(bao)障(zhang) | 1.95V | 1.2MHz | SOT-25 |
| XC9286A20CMR-G | 無CL充放(fang)電(dian),無漏電(dian)保護英文 | 2V | 1.2MHz | SOT-25 |