領域信息資訊
披露日期:2024-05-08 11:28:55 搜素:858
會因為智能領域的廣泛應用需求分析,常有開關電源電源模塊基本為正壓力力導出,較少出現了直接充分考慮正壓力力和真空導出。要怎樣在更低的事情量的基本原則下,實現了真空導出的規范,大家分亨一下下Cyntec的非消毒DC-DC電壓包塊的壓力差操作。
日常現狀下,這種DC-DC開關電源版塊設備MUN3CAD01-SB的指標,如:
| Part Number | Dimension(mm) | Input | Output | ||
| L | W | T | Voltage(V) | Voltage(V) | |
| MUN3CAD01-SB | 2.0 | 2.5 | 1.1 | 2.5~5.5 | 0.8~4.0 |
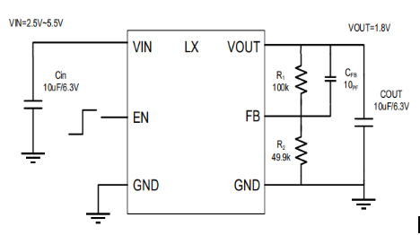
其負壓效果應運的集成運放相應:

而要進行-壓打出,也很簡潔明了,控制電路正確:

亦是的處置策略,Cyntec大這部分的DC-DC電源開關接口護膚品,均可以保證 正壓輸出的,不必提高多少的三極管更改。
南京市立維創展高新科技權限代銷商Cyntec長線廠品,銳意創新為用戶保證優質化量、優質化量、價格多少公平公正的24v電源模塊物料。到目前為止,立維創展存存大量量Cyntec電源模塊庫存管理,商品原車原車,質量水平絕對,全為中國人中國內地市面 提拱技術工藝兼容,誠邀咨詢公司。