互聯網行業資迅
發部精力:2024-04-17 09:07:34 瀏覽器:1003
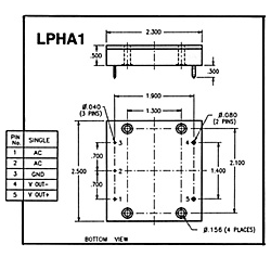
PICO 的 LPHA1/PHA1 AC-DC 轉換器是通用交流輸入與全球直流應用的理想選擇。搭配 PICO 的 LPD、PD 和 HPD 系列 DC-DC 轉換器使用,可獲得范圍從 3.3 VDC 到 350 VDC 的各種直流輸出,包括單路和雙路輸出。其獨特的 365VDC 穩壓輸出使之可直接用于許多激光和電機應用。無論在何種應用下,PICO 始終致力于優化尺寸、可靠性和成本。


主要特點:
- 符合標準 EN/IEC 6100-3-2 的要求- 互通錄入電壓降範圍:85至250VAC- 高工作效率質數:0.99*- 高質量率:90% 或最高- 轉換電功率:- PHA1型萬代高達500瓦**(110 VAC 降額至85VAC,傳輸速率為每伏1.2%)- LPHA1型萬代高達250瓦**(110 VAC 降額至85VAC,強度為每伏1.2%)- 穩壓導出(365VDC)其他特性:
- 手機輸入工作頻率:47至440Hz- 滿負荷時的打出電壓值容差:± 2%- 傷害紋波:- PHA1:10V峰-谷值,滿艙,帶470UF電容(電燒杯)器- LPHA1:10V峰-峰峰值,載滿,帶250UF電阻器- 運轉溫空間:0oC 至 +85oC- 啟動時功率典例值:- PHA1:25-40A至120VAC- LPHA1:15-20A至240VAC- 出現短路愛護:- PHA1型需手機輸入10AMP迅速燒毀安全絲- LPHA1型需發送5AMP快速的短路穩妥絲- 總重:- PHA1:7.2盎司(231克) 明顯- LPHA1:3.5盎司(112克)該產品編切換器也支持系統連網,可密切配合PICO的LPD-PD-HPD產品編,展示 大量的電壓電流時間范圍,不適中用單路和雙路模擬輸出。予以消費需求,請網絡信息咨詢工業區,熟知控制 PICO 那些 1000 好幾個電壓切換器的網絡信息設定,為您展示 從 2.0 VDC 到 5,000 VDC 的功用。蘇州市立維創展自動化是PICO品牌的分銷管理商。展示 入口PICO開關電信息功能圖片、軍用裝備開關電信息功能圖片、高壓箱式變壓器開關電信息功能圖片、不同規格的中小型箱式變壓器、MIL-PRF-21038/27標準低壓變電器、脈沖信號低壓變電器、400 MHz電量的使用配電變壓器、MIL-STD-1553音響接口電壓器、音響電壓器、電工作電壓電感、超小型電工作電壓電感、EMI電感、薄DC-直流電壓電源控制模塊控制模塊、警用DC-DC電源包塊包塊、磚塊DC-DC交流電源控制器、高壓低壓DC-DC、AC-DC電壓線模快電壓、按鈕直流電壓電壓線模快電壓、底部隔離電壓線模快電壓、民航電壓線模快電壓等信息模塊電壓線模快電壓和功效裝換器。原廠產品設備德國,產品品質提高,邀請資訊。
寶貝詳情了解到PICO電原電源模塊請單擊://www.zb5858.cn/brand/15.html