業信息
分享用時:2024-03-22 09:58:06 觀看:1062
PICOAT-SAT系類是隔絕式單路雙路換為DC-DC換為器,才可以在-25°C至+70°C的寬溫度因素范圍圖內穩定可靠事情,不能自己30%的水冷器或降額處里。也,內裝的換為濾波電收納空間和兩個便利的手機輸入的電壓工具欄(3V、5V、9V、12V)有助于、玩家簡化法電路板的設計。

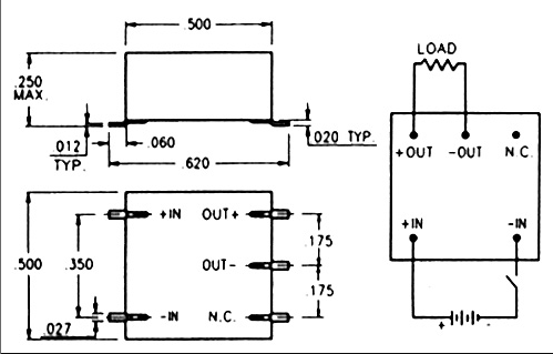
AT底視圖 SAT底視圖
PICO AT-SAT類型展示 多重形號選購,各種形號都還具有過低的感應直流電壓需要量。讀取相電壓為3.3-15V,最大的短路直流電壓感應直流電壓50-227mA,讀取馬力高至0.75W,該換算器選用半導體技術超不同規格的中小型封裝,封裝尺寸大小為0.5”x0.5”x0.2”。
| 串聯AT-SAT單路輸出 | |||||||||||
| PICO 插件 部件 號 | PICO 表面 貼裝 零件 編號 | 輸入 電壓。 (V直流) | 輸出 電壓 (V直流) | 最大負載 電流 (mA) | 最大輸出 功率 (瓦) | 典型 值 ( % ) | 電流 典型 值(mA) | 輸出 電壓 紋波 @滿 載* (Vp-p max) | 空載 電流 (典型 值) (mA) | 電壓 容差 (V DC) | 價格 (美元) |
| 3AT3.3S 3AT5S 3AT5.2S 3AT9S 3AT12S 3AT15S | 3SAT3.3S 3SAT5S 3SAT5.2S 3SAT9S 3SAT12S 3SAT15S | 33 3 3 3 3 | 3.3 5 5.2 9 12 15 | 197 130 125 83 63 50 | 0.65 0.65 0.65 0.75 0.750.75 | 61 66 66 70 72 73 | 355 328 328 357 347342 | 0.20 0.20 0.20 0.20 0.20 0.20 | 35 35 35 3535 35 | ±0.20 ±0.25 ±0.25 ±0.30 ±0.40 ±0.40 | 115.98 115.98 115.98 115.98 115.98 |
| 5AT3.3S 5AT5S 5AT5.2S 5AT9S 5AT12S 5AT15S | 5SAT3.3S 5SAT5S 5SAT5.2S 5SAT9S 5SAT12S 5SAT15S | 55 5 55 5 | 3.3 5.2 9 12 15 | 227 150 144 83 63 50 | 0.75 0.75 0.75 0.75 0.750.75 | 64 69 69 72 75 76 | 234 217 217 208 200 197 | 0.20 0.20 0.20 0.20 0.20 0.20 | 25 25 25 2525 25 | ±0.20 ±0.25 ±0.25 ±0.30 ±0.40 ±0.40 | 115.98 115.98 115.98 115.98 115.98 |
| 9AT3.3S 9AT5S 9AT5.2S 9AT9S 9AT12S 9AT15S | 9SAT3.3S 9SAT5S 9SAT5.2S 9SAT9S 9SAT12S 9SAT15S | 99 9 99 9 | 3.3 5 5.2 9 12 15 | 227 150 144 83 63 50 | 0.75 0.75 075 0.75 0.750.75 | 65 70 7072 78 80 | 128 119 119 116 107 104 | 0.20 0.20 0.20 0.20 0.20 0.20 | 15 15 15 1515 15 | ±0.20 ±0.25 ±0.25 ±0.30 ±0.40 ±040 | 115.98 115.98 115.98 115.98 115.98 |
| 12AT3.3S 12AT5S 12AT5.2S 12AT9S 12AT12S 12AT15S | 12SAT3.3S 12SAT5S 12SAT5.2S 12SAT9S 12SAT12S 12SAT15S | 12 12 12 12 1212 | 3.3 5 5.2 9 12 15 | 227 150 144 83 63 50 | 0.75 0.75 0.75 0.75 0750.75 | 66 71 71 73 78 80 | 95 88 88 86 80 78 | 0.20 0.20 0.20 0.20 0.20 0.20 | 88 8 88 8 | ±0.20 ±0.25 ±0.25 ±0.30 ±040 ±0.40 | 115.98 115.98 11598 115.98 115.98 |
| 串聯 AT-SAT 雙輸出 | |||||||||||
| PICO 插件 部件 號 | PICO 表面 貼裝 零件 編號 | 輸入 電壓。 (V直流) | 輸出 電壓 (V直流) | 最大負載 電流 (mA) | 最大輸出 功率 (瓦) | 典型值 (%) | 電流 典型 值(mA) | 輸出 電壓 紋波 @滿 載* (Vp-p max) | 空載 電流 (典型 值) (mA) | 電壓 容差 (V DC) | 價格 (美元) |
| 3AT5D 3AT9D 3AT12D 3AT15D | 3SAT5D 3SAT9D 3SAT12D 3SAT15D | 33 3 3 | 59 12 15 | 65 41 31 25 | 0.325 0.375 0.375 0.375 | 66 70 72 73 | 328 357 347 342 | 0.20 0.20 0.20 0.20 | 35 35 35 35 | ±0.25 ±0.30 ±0.40 ±0.40 | 130.66 130.66 130.66 130.66 |
| 5AT5D 5AT9D 5AT12D 5AT15D | 5SAT5D 5SAT9D 5SAT12D 5SAT15D | 59 12 15 | 75 41 31 25 | 0.375 0.375 0.375 0.375 | 69 72 75 76 | 217 208 200 197 | 0.20 0.20 0.20 0.20 | 35 25 25 25 | ±0.25 ±0.30 ±0.40 ±0.40 | 130.66 130.66 130.66 130.66 | |
| 9AT5D 9AT9D 9AT12D 9AT15D | 9SAT5D 9SAT9D 9SAT12D 9SAT15D | 99 9 9 | 59 12 15 | 75 41 31 25 | 0.375 0.375 0.375 0.375 | 70 72 78 80 | 119 116 107 104 | 0.20 0.20 0.20 0.20 | 15 15 15 15 | ±0.25 ±0.3 ±0.40 ±0.40 | 130.66 130.66 130.66 130.66 |
| 12AT5D 12AT9D 12AT12D 12AT15D | 12SAT5D 12SAT9D 12SAT12D 12SAT15D | 12 12 12 12 | 59 12 15 | 75 41 31 25 | 0.375 0.375 0.375 0.375 | 71 78 78 80 | 88 86 80 78 | 0.20 0.20 0.20 0.20 | 8 8 8 | ±0.25 ±0.30 ±0.40 ±0.40 | 130.66 130.66 130.66 130.66 |
杭州市立維創展科技信息是PICO集團公司的分銷系統商。帶來原產PICO外接供電輸出引擎、軍工外接供電輸出引擎、各類高壓外接供電輸出引擎、大型低壓變壓器、MIL-PRF-21038/27的規格箱式干式變壓器、電脈沖箱式干式變壓器、400 MHz電量的使用配電變壓器、MIL-STD-1553端口電壓器、音視頻電壓器、耗油率電感、徵型耗油率電感、EMI電感、薄DC-整流供電功能、軍用裝備DC-DC電源線模快、磚塊DC-DC交流電源控制模塊、高壓低壓DC-DC、AC-DC電模快、電開關直流開關開關主機電源功能開關電模快、消毒電模快、飛機電模快等能力電模快和工作效率更換器。原裝德國設備德國,質理做到,邀請了解和咨詢。
內容認識PICO電原模塊圖片請超鏈接://www.zb5858.cn/brand/15.html