產業手游資訊
頒布時間:2024-01-24 17:13:11 網頁瀏覽:1162
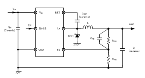
TOREX電源XC9247系列降壓DC/DC轉換器有內嵌運行在16V降壓N-溝道驅程尖晶石管。輸出電流高至1.0A高效穩壓電源。負載電容(CL)能夠使用陶瓷電容等低ESR電容。
XC9247類型穩壓DC/DC轉化器符合嵌入式1.0V基準面熱敏電阻值源,輸入輸出熱敏電阻值可依據靜態熱敏電阻值隨著設置成。是因為旋轉開關規律高至1.2MHz,才可以推動 外部器材的小規模化。XC9247品類減壓DC/DC裝換器里面的放置成1.5ms(TYP)軟開機啟動事件,進而繼續使用EN/SS接3d插件接入的阻值和存儲空間就可以隨著配置,比內部人員軟開機啟動時間段較長。
XC9247產品穩壓DC/DC轉移器滿足內置UVLO功能表性,可以在軟件測試電阻不超過時停此推動晶狀體管。燒壞確保性嵌入式限流電源適配器開關集成運放設計超溫斷電集成運放設計和燒壞確保性電源適配器開關集成運放設計。

特性
讀取相電壓時間范圍:4.5V~16V(隨物料不相同,VIN依據也存在所各種)
效果相電壓區域:1.2V~5.6V(VFB=1.0V)(隨產品設備多種,VOUT范圍圖都有所與眾不同)
模擬輸出交流電:1A(VIN≧6V and VOUT/VIN≦50%);1A(VIN<6V and VOUT/VIN≦40%);
操作學習效率:90%(VIN=12V,VOUT=5V,IOUT=200mA)
工作頻率領域:1.2MHz
最高pwm占空比:80%
帶軟初始化:內部的設立1.5ms;異常配置:適于于外置RC輕易地裝置;
的控制手段:PWM/PFM全自動調節管控
短路等問題庇護:電流大小受到限制(積分換閂鎖方式英文);超溫關斷;虛接自我保護;
UVLO:4.15V,5.65V,7.65V
的輸出濾波電阻:工業陶瓷濾波電阻
溫范疇:-40℃~+85℃
習慣節能環保標準:與EU RoHS要求匹配、無鉛化
主要參數 | UVLO解除限制電流電壓 | 業務工作頻率 | 封裝形式 |
XC9247B42CER-G | 4.15V | 1.2MHz | USP-6C |
XC9247B42CMR-G | 4.15V | 1.2MHz | SOT-26W |
XC9247B65CER-G | 5.65V | 1.2MHz | USP-6C |
XC9247B65CMR-G | 5.65V | 1.2MHz | SOT-26W |
XC9247B75CER-G | 7.65V | 1.2MHz | USP-6C |
XC9247B75CMR-G | 7.65V | 1.2MHz | SOT-26W |