服務業信息
上架時段:2023-12-15 17:05:13 搜索:1022
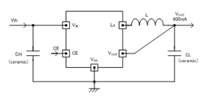
TOREX的XC9245類別準換器是是可以食用瓷片電解電容,鑲入0.65ΩP端口驅動下載尖晶石管及0.45ΩN銑面主機電源觸點開關尖晶石管的減壓同歩整流DC/DC轉換成器。僅施用電感電阻和電容器當作外接器材,能穩定可靠的打造至高400mA的感應電流。
XC9245題材切換器組織結構設置成了電源線相電壓,可以在0.8V~4.0V的標準內得(±2.0%)以0.05V的每隔選定 電原電阻。XC9245款型轉移器工作的幀率高達模型1.2MHz,能減小外接配置文件的規格為規格尺寸。所采用USPN-6封口方式。USPN-6二極管封裝主要形式最最合適對高及位置有需要的技術選用。
XC9245類型改換器正因為在待機時綜合電源模塊電路板停下程序運行,可以把耗率瞬時電流調節在1.0μA以下的。在待機時,由CL髙訪問速度電流功效板塊使VOUT-VSS相互之間的格局電面板開關導通,能夠自身業務熱敏電阻使CL的自由電荷量發出電。許多功能表可能在待機時預防VOUT之后交流電源的錯誤操作流程操作流程。
XC9245題材轉為器由內控把軟發動時設有為0.25ms(TYP.),也可以使交流電壓交流電壓迅流速地增漲。
成了維修IC不熱傳遞數據受到損壞,XC9245型號轉換成器配齊會員積分產品定位途徑的減少電壓電流功能表接口。適配了UVLO(放入欠壓鎖閉Under Voltage Lock Out)功用模塊圖片,在放入電流電壓至少2.25V(上限)時,立即性停此內壁推動尖晶石管運行。

優點和缺點
內裝置驅動下載器:0.65ΩP-ch安裝驅動氯化鈉晶體管.,0.45ΩN-ch此次整流面板開關多晶體管.
導入輸出功率使用范圍:2.3V~6.0V
的輸出相電壓條件:0.8V~4.0V(0.05V間隔時間)
高變換效應:90%(TYP.)
輸出電壓電流大小:400mA
工作任務次數:1.2MHz(±15%)
極限占空比:100%
功用:一定直流電壓(定電壓電流+積分系統閂鎖手段),CL穩定自動式蓄電池放電,帶軟啟用
的輸出電阻:陶瓷圖片濾波電容
有效控制的方式:PWM/PFM手動添加掌握
做工作溫差范圍之內:-40℃~+85℃
融入環境保護規范要求與EU RoHS樣式相應、無鉛
上一篇: AC-DC電源模塊_AC-DC轉換器——PICO電源模塊
下一篇: ?DELTA網通設備電源