該行業信息
分享耗時:2023-11-27 17:12:33 觀看:1044
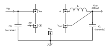
Torex電原的XC9244類型改變器可以巧用嵌入0.65ΩP端口推動單晶體管和0.45ΩN橫截開關按鈕結晶管的減壓數據同步整流DC/DC換為器。必須選用電感線圈和濾波電容用在外部結構部位,不錯穩定提拱400mA的最高值直流電。
XC9244國產切換器里面的設備輸出的端電壓,普通是0.8V~4.0V的規模內(±2.以0.以05V的的距離區分輸入電阻值。XC9244類型互轉器的按鈕開關頻帶寬度高至1.2MHz也可以核減外部結構器材的標準規范。采用USPN-6芯片封裝。USPN-6芯片封裝是最可以極高和室內空間嚴重不足的軟件。
致使待機時全體人員電源適配器控制電路變慢運作,以耗用電流值可控制到1.0μA以上。待機時,由CL的快速路擊穿主要用途性使能VOUT-VSS中間的里面電開關導通,CL的電勢進行電壓表內阻充放。該功效是可以以免 待機時VOUT售后電源開關的報錯實際操作。的內部將軟開始耗時快速設成0.25ms(TYP.,需要讓導出電壓電流發展升。
為呵護IC抗御熱壞損,XC9244類型變為器在純體決定玩法下傳奇裝備了感應電流獨立性效果性。
XC9244系列產品變為器嵌入式UVLO(導入欠壓鎖閉Under Voltage Lock Out)性能性,當放入的電壓超過2.25V(明顯)當里面動力晶胞管被強迫立即停止行駛。

特征
內嵌式驅動包器:0.65ΩP-ch安裝驅動硫化鋅管.,0.45ΩN-ch此次整流電開關納米線管.
搜索電阻范疇:2.3V~6.0V
輸入輸出額定電壓範圍:0.8V~4.0V(0.05V時間間隔)
高轉成效果:90%(TYP.)
輸送感應電流:400mA
的工作頻帶寬度:1.2MHz(±15%)
極限占空比:100%
的功能:規定工作電流(定瞬時電流+積分兌換閂鎖的方式),CL極速定時自放電,帶軟開機
輸出濾波電容:工業陶瓷電容(電容器)
把握方式:PWM規定操控
本職工作平均溫度時間范圍:-40℃~+85℃
適于健康規定:與EU RoHS品種相應的、無鉛
上一篇: AC-DC電源模塊_AC-DC轉換器——PICO電源模塊
下一篇: ?DELTA服務器電源