服務行業手游資訊
發布消息日期:2023-11-10 17:17:14 手機瀏覽:5983
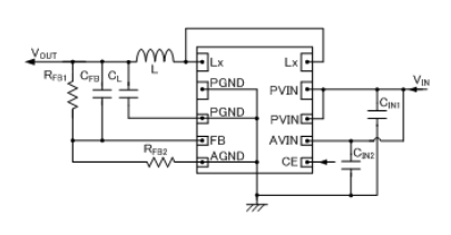
TOREX主機電源XC9243同時進行整流DC/DC轉化器輸入工業陶瓷電不銹鋼容器器,置入式0.11Ω(TYP.p端MOS驅動軟件氯化鈉晶體管和0.12Ω(TYP.n端MOS電源線電源開關晶胞管降血壓微信同步整流DC/DC互轉器。XC9243此次整流DC/DC換算器減輕了放入式尖晶石管的導通電阻功率,最明顯數值2.0A的工做直流電。XC9243導入整流DC/DC換算器的業務頻寬為2.7V~6.0V,在專業化0.8V(±2.參考選取熱敏電阻值源,帶外接熱敏電阻,不錯從0.9V放置電源模塊電流。
XC9243同步操作整流DC/DC變頻器的軟運行期限為1 ms(TYP.,完成更快進行。最明顯瞬時電流影響為4.0A(TYP.能能適合用于于大電流值的技術設備用。
XC9243同歩整流DC/DC轉變器能否將休眠模式時的耗用感應電流操控在1.0μA下。睡眠時間時,LX由CL迅速的產生電磁能使能-VSS直接的實物電壓轉換開關取消,CL的電荷量采用自由電阻器值釋放出來電量。這種可以免 休眠時間時后續電原電腦運行特別。XC9243微信同步整流DC/DC轉型器自帶UVLO(輸人欠壓維護更改 直流電壓3356選擇3356所在)輸入電阻高于2時的耐腐蝕性完成指標.4V(TYP.,內壁驅動安裝硫化鋅管實操被強迫撤銷。

特點
嵌到驅使器:0.11Ω(TYP.)P-ch安裝驅動晶狀體管.,0.12Ω(TYP.)嵌入N-ch驅動下載器
放入直流電壓范圍之內:2.7V~6.0V
打印輸出電流面積:0.9V~VIN
FB運轉功耗:0.8V±2.0%
高轉換吸收率:95%(TYP.)
辦公直流電壓:2.0A
運作頻段:1.2MHz±15%,2.4MHz±15%
最好pwm占空比:100%
安全性能質量指標:帶軟重啟器,CL自然化放能耗,限定電壓電流(系統深圳自動化復歸),超溫啟用,UVLO
打出電阻器:淘瓷電阻器器
驅動器的形式:PWM不穩操作
環鏡室溫:-40℃~+85℃
改變周圍環境標準單位:與EURoHS規格尺寸相配合好、無鉛化
上一篇: AC-DC電源模塊_AC-DC轉換器——PICO電源模塊
下一篇: ?DELTA顯示器電源