互聯網行業新聞咨詢
發布的時間間隔:2023-10-25 17:07:43 看:994
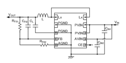
TOREX的XC9242全系列是才能相對應的瓷器電容(電容器),放到0.11Ω(TYP.)P端口MOS驅動包晶狀體管及0.12Ω(TYP.)N橫截MOS旋轉開關氯化鈉晶體管的穩壓同步操作整流DC/DC轉為器。XC9242型號DC/DC準換器調低放入晶胞管的導通電阻器,能更高率,安全穩定的可以提供最高的人2.0A的輸入交流電。運轉速度范疇在2.7V~6.0V,完成在工作中0.8V(±2.0%)的基本準則電容源,用外接電容能草率的從0.9V設制輸出電流電壓電流電壓。
XC9242(PWM把控)也能選取1.2MHz和2.4MHz的電開關工作頻率。軟重啟耗時在1ms(TYP.),達成加快切換。最高的人影響工作電流為4.0A(TYP.),能是和高直流電壓的app。
XC9242類型DC/DC轉為器在待機時才可以把損失電流值抑制在1.0μA下。在待機時,由CL髙速電流耐磨性使LX-VSS中間的格局控制開關導通,憑借內在阻值使CL的電勢自放電。這能在待機時杜絕前期電源線的誤區操作流程。XC9242系列作品DC/DC換算器原機UVLO(導入欠壓開啟閉合Under Voltage Lock Out)功能,在搜索電壓降低于2.4V(TYP.)時,立即地中止內部組織控制多晶體管工作。

癥狀
融入驅動包器:0.11Ω(TYP.)P-chwin7驅動晶胞管.,0.12Ω(TYP.)融入到N-ch能夠器
顯示線電壓使用范圍:2.7V~6.0V
傷害輸出功率范圍內:0.9V~VIN
FB的電壓:0.8V±2.0%
高轉為效果:95%(TYP.)
工作輸出工作電流:2.0A
次數范圍之內:1.2MHz±15%,2.4MHz±15%
最高的占空比:100%
性能指標:帶軟重新啟動,CL定時電流,局限性直流電(自行復歸),cpu過熱關斷,UVLO
輸送電解電容器:工業陶瓷電解電容器
駐車制動行為:PWM緊固控制電腦
氣溫面積:-40℃~+85℃
轉變壞保中規定:與EURoHS品種根據、無鉛化
TOREX半導體設備主要是具備COMS、感知器、場效應管等元電子電子元器件,新產品以小量、效果優良而非常知名。
成都市立維創展科持較少新公司,優越性代銷TOREX電源線配件,廣泛期貨貨源,歡迎辭的合作。
情況熟悉TOREX請單擊://www.zb5858.cn/brand/62.html
主要參數 | 考慮的電壓 | 工做速率 | 芯片封裝 |
XC9242B08CDR-G | 0.8V | 1.2MHz | USP-10B |
XC9242B08DDR-G | 0.8V | 2.4MHz | USP-10B |
上一篇: AC-DC電源模塊_AC-DC轉換器——PICO電源模塊
下一篇: ?DELTA工業電源