市場資訊、短視頻軟件
公布的時間:2023-08-03 16:49:46 打開網頁:6290
與離散功效模快不同之處較,SILERGY矽力杰電原功能的空間變少了90%。SQ76002AQNC要下降附生電感/濾波電容,加強工做的效率,才能減少信號燈偏色。SQ76002AQNC應有較好的水冷抗不影響安全性能參數和三維圖像封口樣式安全性能參數,應有很好的抗不影響特性。低頻抖動和自然環境自我調節性強。
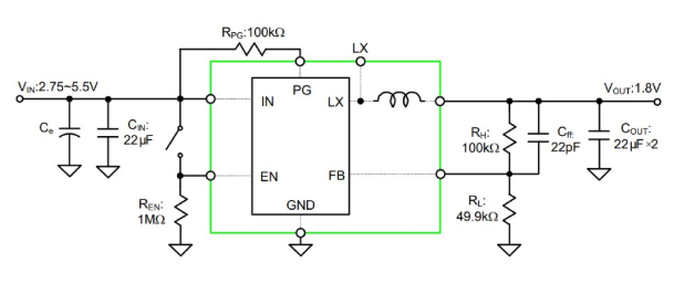
SQ76002AQNC適宜于那款3MHz、2A同時減壓電源穩壓器,SQ76002AQNC走過個中小款封裝(3.0mm×3.0mm,H=1.1mmmax)中智能家居有效控制化電感和有效控制IC芯片。SQ76002AQNC更高速度,3MHz,2A內嵌式電感微信同步降血壓穩壓電源。

特征描述
內外部面板開關(表層/下方)的低RDS(ON):40mΩ/20mΩ
2.75~5.5V進入電阻的范圍
3MHz啟閉規律較大 局限限制了冗余集成電路芯片
企業內部軟開機限定浪涌工作電流
2A連續性打印輸出電流量性能方面
關閉模式,花費<0.1μA電壓直流電壓
100%Dropout操作步驟
電源線積極體現燈
過流保養/欠壓定位/過溫防護
充分考慮RoHS基準且無鹵化物
主體工程型封裝形式:QFN3×3-10
SILERGY(矽力杰)核心制造電源線線IC芯片、電源線線引擎等模擬機元件。在SQ76002AQNC價額高,交貨期長,市廠建議pin to pin原位替換SQ76002AQNC,替換參數為:MUN3CAD03-SF,MUN3CAD03-SF優質DC/DC24v電源輸出模塊。在2.75V和5.5V發送輸出功率規模內的電流大小電流大小高至3A。MUN3CAD03-SF電開關頻段為3.0MHz,按照所具備的接口可建立高至90%的速度。現貨交易競爭優勢產品報價,受歡迎咨訊。
寶貝詳情清楚MUN3CAD03-SF請點擊量://www.zb5858.cn/article/3099.html