互聯網行業資迅
披露時間間隔:2023-06-02 16:54:17 網頁瀏覽:1569
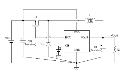
TOREX XC6366系列內嵌高速低通態電阻驅動器的通用型高頻率降壓DC/DC控制器集成電路。應用晶體管,電感線圈,二極管和電容器共4種外接器件,可搭建輸出電流為1A之上高效化降壓DC/DC轉換器。
XC6366系列產品降血壓DC/DC保持器能在1.5V~6.0V(精密度單位±2.5%)時間范圍之類,以0.1V的排距實現了軟件設置(VOUT型)。而,消除VOUT型后,還包括嵌到1.0V的基準面電壓降電流源,也能外接電子元件肆意安裝打出電壓降電流的應用金橋銅業跨接線的截面積大小(FB型)。
因面板開關頻繁高至300kHz,需要實用成長型型外接元器件封裝。XC6366系列的減壓DC/DC調控器在小過載時,PWM/PFM添加控住型XC6366系以PFM安全作業狀態進行作業。之所以,在小小年紀電動機扭矩到大內容輸出電壓的整體性電動機扭矩依據天內,實現目標高效益化。
XC6366編降血壓DC/DC調節器軟發動日期段有,在系統設定為10ms的應用品種(A,B型),和其應用外接電干凈的器皿和電干凈的器皿器實施優化網絡的的主要參數尺寸規格(C,D型)。
XC6366國產降血壓DC/DC操縱器操作待機性能參數,可開始加載使直流電量自然損耗推動0.5μA低于(CE端"L")。
XC6366系列作品穩壓DC/DC把控器嵌入UVLO效能,當放入直流電流值在普通 交流電直流電流值左右時,會強行性的把外接結晶管立即切斷。
性質
鍵入輸出功率區域:2.2V~10V
導出直流電壓比率:1.5V~6.0V(0.1V行間距),±2.5%
辦公次數:300kHz±15%,加盟商私人訂制180,500kHz
打印輸出電壓:1.0A(VIN=5.0V,VOUT=3.0V)
高轉移效果:92%(TYP.)
待機械流:ISTB=0.5μA(MAX.)
TOREX半導體設備其主要帶來了COMS、感應器器、整流二極管等元電子零件,食品以小體積大概、能力非凡而有名的。
河南市立維創展網絡不多單位,強勢電商分銷TOREX電源模塊元件,大規模現貨平臺庫存盤點,歡迎圖片合作協議。
淘寶手機端熟知 TOREX請點開://www.zb5858.cn/brand/62.html

主要參數 | Type | Output Voltage | Oscillation Frequency | Packages |
XC6366A152ER-G | VOUT type: internally set-up, Soft-start internally set-up | 1.5V | 180kHz | USP-6C |
XC6366A152MR-G | VOUT type: internally set-up, Soft-start internally set-up | 1.5V | 180kHz | SOT-25 |
XC6366A153ER-G | VOUT type: internally set-up, Soft-start internally set-up | 1.5V | 300kHz | USP-6C |
XC6366A153MR-G | VOUT type: internally set-up, Soft-start internally set-up | 1.5V | 300kHz | SOT-25 |
XC6366A155ER-G | VOUT type: internally set-up, Soft-start internally set-up | 1.5V | 500kHz | USP-6C |
XC6366A155MR-G | VOUT type: internally set-up, Soft-start internally set-up | 1.5V | 500kHz | SOT-25 |
XC6366A162ER-G | VOUT type: internally set-up, Soft-start internally set-up | 1.6V | 180kHz | USP-6C |
XC6366A162MR-G | VOUT type: internally set-up, Soft-start internally set-up | 1.6V | 180kHz | SOT-25 |
XC6366A163ER-G | VOUT type: internally set-up, Soft-start internally set-up | 1.6V | 300kHz | USP-6C |
XC6366A163MR-G | VOUT type: internally set-up, Soft-start internally set-up | 1.6V | 300kHz | SOT-25 |
XC6366A165ER-G | VOUT type: internally set-up, Soft-start internally set-up | 1.6V | 500kHz | USP-6C |
XC6366A165MR-G | VOUT type: internally set-up, Soft-start internally set-up | 1.6V | 500kHz | SOT-25 |
XC6366A172ER-G | VOUT type: internally set-up, Soft-start internally set-up | 1.7V | 180kHz | USP-6C |
XC6366A172MR-G | VOUT type: internally set-up, Soft-start internally set-up | 1.7V | 180kHz | SOT-25 |
XC6366A173ER-G | VOUT type: internally set-up, Soft-start internally set-up | 1.7V | 300kHz | USP-6C |
XC6366A173MR-G | VOUT type: internally set-up, Soft-start internally set-up | 1.7V | 300kHz | SOT-25 |
XC6366A175ER-G | VOUT type: internally set-up, Soft-start internally set-up | 1.7V | 500kHz | USP-6C |
XC6366A175MR-G | VOUT type: internally set-up, Soft-start internally set-up | 1.7V | 500kHz | SOT-25 |
XC6366A182ER-G | VOUT type: internally set-up, Soft-start internally set-up | 1.8V | 180kHz | USP-6C |
XC6366A182MR-G | VOUT type: internally set-up, Soft-start internally set-up | 1.8V | 180kHz | SOT-25 |
XC6366A183ER-G | VOUT type: internally set-up, Soft-start internally set-up | 1.8V | 300kHz | USP-6C |
XC6366A183MR-G | VOUT type: internally set-up, Soft-start internally set-up | 1.8V | 300kHz | SOT-25 |
XC6366A185ER-G | VOUT type: internally set-up, Soft-start internally set-up | 1.8V | 500kHz | USP-6C |
XC6366A185MR-G | VOUT type: internally set-up, Soft-start internally set-up | 1.8V | 500kHz | SOT-25 |
XC6366A192ER-G | VOUT type: internally set-up, Soft-start internally set-up | 1.9V | 180kHz | USP-6C |