行業內新聞資訊
發部時候:2023-05-19 16:50:59 瀏覽訪問:1596
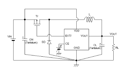
TOREX XC6365系列是內嵌高速度低通態電阻控制器的通用型高頻率降壓DC/DC控制器集成電路。采用晶體管,電感線圈,二極管和電容器共4種外置器件,可創建輸出電流為1A以上高效率降壓DC/DC轉換器。
XC6365產品保持器就能在1.5V~6.0V(精硬度±2.5%)領域當中,以0.1V的安全距離實現目標放置(VOUT型)。但是,洗去VOUT型外面,還擁有內嵌式1.0V的基準價電流源,會外置電子元件無數個配置打印輸出電流的年紀(FB型)。
XC6365品類調整器因電開關規律高至300kHz,能能運用小型空氣開關外置器材。但是,在由小瞬時電流至大傷害瞬時電流的建筑體瞬時電流規模里面,高達獨角獸生產率高率。
XC6365系列表把握器軟起動時期有,在內部結構制定為10ms的的規格(A,B型),以及其采用外置阻值和電阻器做出優化系統的樣式(C,D型)。
用到待機穩定性,可為止使用使功率耗率更是高達0.5μA下面(CE端"L")。
XC6365型號掌握器鑲入UVLO特性,當發送直流電流在確定直流電流程序時,會強硬性把外置單晶體管上斷。
性能
錄入端電壓比率:2.2V~10V
傳輸電壓值范疇:1.5V~6.0V(0.1V距離),±2.5%
做工作概率:300kHz±15%,買家全屋定制180,500kHz
效果功率:1.0A(VIN=5.0V,VOUT=3.0V)
高轉成學習效率:92%(TYP.)
待機電工程流:ISTB=0.5μA(MAX.)
TOREX半導體芯片主要是帶來了COMS、傳調節器器、整流二極管等元電子器件,廠品以小體積太、特點優勝而廣為人知。
北京市立維創展科技集團有現集團,勝機分銷商城TOREX主機電源元器件,過多外盤庫存管理,青睞達成合作。
內容了解一下TOREX請點一下://www.zb5858.cn/brand/62.html

主要參數 | Type | Output Voltage | Oscillation Frequency | Packages |
XC6365A152ER-G | VOUT type: internally set-up, Soft-start internally set-up | 1.5V | 180kHz | USP-6C |
XC6365A152MR-G | VOUT type: internally set-up, Soft-start internally set-up | 1.5V | 180kHz | SOT-25 |
XC6365A153ER-G | VOUT type: internally set-up, Soft-start internally set-up | 1.5V | 300kHz | USP-6C |
XC6365A153MR-G | VOUT type: internally set-up, Soft-start internally set-up | 1.5V | 300kHz | SOT-25 |
XC6365A155ER-G | VOUT type: internally set-up, Soft-start internally set-up | 1.5V | 500kHz | USP-6C |
XC6365A155MR-G | VOUT type: internally set-up, Soft-start internally set-up | 1.5V | 500kHz | SOT-25 |
XC6365A162ER-G | VOUT type: internally set-up, Soft-start internally set-up | 1.6V | 180kHz | USP-6C |
XC6365A162MR-G | VOUT type: internally set-up, Soft-start internally set-up | 1.6V | 180kHz | SOT-25 |
XC6365A163ER-G | VOUT type: internally set-up, Soft-start internally set-up | 1.6V | 300kHz | USP-6C |
XC6365A163MR-G | VOUT type: internally set-up, Soft-start internally set-up | 1.6V | 300kHz | SOT-25 |
XC6365A165ER-G | VOUT type: internally set-up, Soft-start internally set-up | 1.6V | 500kHz | USP-6C |
XC6365A165MR-G | VOUT type: internally set-up, Soft-start internally set-up | 1.6V | 500kHz | SOT-25 |
XC6365A172ER-G | VOUT type: internally set-up, Soft-start internally set-up | 1.7V | 180kHz | USP-6C |
XC6365A172MR-G | VOUT type: internally set-up, Soft-start internally set-up | 1.7V | 180kHz | SOT-25 |
XC6365A173ER-G | VOUT type: internally set-up, Soft-start internally set-up | 1.7V | 300kHz | USP-6C |
XC6365A173MR-G | VOUT type: internally set-up, Soft-start internally set-up | 1.7V | 300kHz | SOT-25 |
XC6365A175ER-G | VOUT type: internally set-up, Soft-start internally set-up | 1.7V | 500kHz | USP-6C |
XC6365A175MR-G | VOUT type: internally set-up, Soft-start internally set-up | 1.7V | 500kHz | SOT-25 |
XC6365A182ER-G | VOUT type: internally set-up, Soft-start internally set-up | 1.8V | 180kHz | USP-6C |
XC6365A182MR-G | VOUT type: internally set-up, Soft-start internally set-up | 1.8V | 180kHz | SOT-25 |
XC6365A183ER-G | VOUT type: internally set-up, Soft-start internally set-up | 1.8V | 300kHz | USP-6C |
XC6365A183MR-G | VOUT type: internally set-up, Soft-start internally set-up | 1.8V | 300kHz | SOT-25 |
XC6365A185ER-G | VOUT type: internally set-up, Soft-start internally set-up | 1.8V | 500kHz | USP-6C |
XC6365A185MR-G | VOUT type: internally set-up, Soft-start internally set-up | 1.8V | 500kHz | SOT-25 |
XC6365A192ER-G | VOUT type: internally set-up, Soft-start internally set-up | 1.9V | 180kHz | USP-6C |
XC6365A192MR-G | VOUT type: internally set-up, Soft-start internally set-up | 1.9V | 180kHz | SOT-25 |
XC6365A193ER-G | VOUT type: internally set-up, Soft-start internally set-up | 1.9V | 300kHz | USP-6C |
XC6365A193MR-G | VOUT type: internally set-up, Soft-start internally set-up | 1.9V | 300kHz | SOT-25 |
XC6365A195ER-G | VOUT type: internally set-up, Soft-start internally set-up | 1.9V | 500kHz | USP-6C |
XC6365A195MR-G | VOUT type: internally set-up, Soft-start internally set-up | 1.9V | 500kHz | SOT-25 |
XC6365A202ER-G | VOUT type: internally set-up, Soft-start internally set-up | 2.0V | 180kHz | USP-6C |
XC6365A202MR-G | VOUT type: internally set-up, Soft-start internally set-up | 2.0V | 180kHz | SOT-25 |
XC6365A203ER-G | VOUT type: internally set-up, Soft-start internally set-up | 2.0V | 300kHz | USP-6C |
XC6365A203MR-G | VOUT type: internally set-up, Soft-start internally set-up | 2.0V | 300kHz | SOT-25 |
XC6365A205ER-G | VOUT type: internally set-up, Soft-start internally set-up | 2.0V | 500kHz | USP-6C |
XC6365A205MR-G | VOUT type: internally set-up, Soft-start internally set-up | 2.0V | 500kHz | SOT-25 |
XC6365A212ER-G | VOUT type: internally set-up, Soft-start internally set-up | 2.1V | 180kHz | USP-6C |
XC6365A212MR-G | VOUT type: internally set-up, Soft-start internally set-up | 2.1V | 180kHz | SOT-25 |
XC6365A213ER-G | VOUT type: internally set-up, Soft-start internally set-up | 2.1V | 300kHz | USP-6C |
XC6365A213MR-G | VOUT type: internally set-up, Soft-start internally set-up | 2.1V | 300kHz | SOT-25 |
XC6365A215ER-G | VOUT type: internally set-up, Soft-start internally set-up | 2.1V | 500kHz | USP-6C |
XC6365A215MR-G | VOUT type: internally set-up, Soft-start internally set-up | 2.1V | 500kHz | SOT-25 |
XC6365A222ER-G | VOUT type: internally set-up, Soft-start internally set-up | 2.2V | 180kHz | USP-6C |
XC6365A222MR-G | VOUT type: internally set-up, Soft-start internally set-up | 2.2V | 180kHz | SOT-25 |
XC6365A223ER-G | VOUT type: internally set-up, Soft-start internally set-up | 2.2V | 300kHz | USP-6C |
XC6365A223MR-G | VOUT type: internally set-up, Soft-start internally set-up | 2.2V | 300kHz | SOT-25 |
XC6365A225ER-G | VOUT type: internally set-up, Soft-start internally set-up | 2.2V | 500kHz | USP-6C |
XC6365A225MR-G | VOUT type: internally set-up, Soft-start internally set-up | 2.2V | 500kHz | SOT-25 |
XC6365A232ER-G | VOUT type: internally set-up, Soft-start internally set-up | 2.3V | 180kHz | USP-6C |
XC6365A232MR-G | VOUT type: internally set-up, Soft-start internally set-up | 2.3V | 180kHz | SOT-25 |