行業中快訊
發布的時候:2023-05-06 17:04:19 挑選:1440
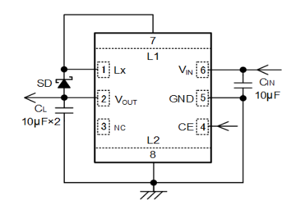
TOREX電源模塊XCL301系列是種內嵌P端面驅動晶體管的負電壓輸出micro DC/DC轉換器。通過調節IC與線圈一體化,能夠實現微型化,僅需在外部增加肖特基二極管與電容器,就能夠搭建不占用空間的電源。XCL301系列轉換器額定電壓為2.7V~5.5V。輸出電壓已設置成-3.3V(精密度±2.0%)。
XCL301編切換器啟用玩法為PFM/安穩自動關機的時間PWM手動優化操控性,依據在小負債(輕載)時將投資項目從維持斷電時長PWM調節轉交至PFM操控性,在小短路電流(輕載)至大短路電流(載重)的總布局短路電流范圍之內將控制精細,最適用于側重小短路電流(輕載)下的高效、性價比最高率的生產裝置和計較電池耗損的生產裝置。
XCL301類型轉移器經由在待機時撤消總布局電原電路原理,將外部消耗的資金瞬時電流制約在0.1μA(TYP.)之下。因嵌到(24v電源)錄入欠壓鎖閉(Under Voltage Lock Out)耐熱性,當搜索電流電壓不超欠壓鎖閉電業余時間,會二次退出了內部P外圓能夠硫化鋅管。除此模版,UVLO檢測相電壓為2.2V(TYP.)。
XCL301型號轉化器因內置CL電池充電使用性能,確認在待機時,啟閉VOUT-VIN間的內外面板開關,將用內阻值減少CL的帶電粒子。依據這釋放特點,能夠將所在端電壓在短時間內可以恢復到GND電平。

結構特征
發送電壓降:2.7V~5.5V
輸出的電阻值:-3.3V
所在電壓電流誤差:±2.0%
非常大打出交流電:-50mA@VOUT=-3.3V, VIN=3.3V (TYP)
內嵌式驅動安裝器:1.3Ω (Pchwin7伺服驅動器)
消費電流量:40μA (TYP.)
控住形式:PFM / 特定待機用時PWM 電腦自動更改把控
很快環境下瞬態出現異常:-50mV(VIN=3.3V,VOUT=-3.3V,IOUT=1mA→50mA)
PFM旋轉開關電流量:550mA
功能表:
短路保護區職能
軟起動服務器直流電壓控制技能
CL自動式蓄電池充電功能表
UVLO
衛浴陶瓷電容器
操作氣溫區間:-40℃~+85℃
習慣壞保符合要求:與EU RoHS尺寸相對、無鉛
TOREX半導體器件一般帶來COMS、感知器、二級管等元器材,設備以小密度、的性能優秀而非常知名。
武漢市立維創展技術有限制品牌,主要優勢渠道分銷TOREX電源開關集成電路芯片,過量現貨平臺庫存量,祝賀合作的。
詳細信息熟知 TOREX請單擊://www.zb5858.cn/brand/62.html