服務業手游資訊
公布的準確時間:2022-05-12 16:34:31 閱覽:2068
某個專業市場上TI的材料TPS82130、TPS82140、TPS82150稀缺,導至推廣方式商費用溢價收購小于50倍,IC的最初的意義都已經 被扭轉。誠然TI的材料品控無需挑毛病,被全球排名老客戶喜愛,咋樣徹底解決是這樣的窘境,臺達Cyntec適當推出了pin to pin原位用作方案格式。
尺寸 | 錄入電流值 | 內容輸出工作電壓 | 電流值 |
TPS82130 | 3~17V | 0.9~6V | 3A |
TPS82140 | 3~17V | 0.9~6V | 2A |
TPS82150 | 3~17V | 0.9~6V | 1A |
TPSM82903 | 3~17V | 0.4~5.5V | 3A |
這是袖珍型POL電源適配器功能模塊,體積太小,僅為3.0mm x 2.8mm x 1.5mm,集淪為DC-DC基帶芯片、電感,大大地抽象化了企業設計制作,也能夠展示俱佳EMI功能。

而Cyntec的原位替代產品 MUN12CAD03-SEC , 以完全不用改動PCB,并且以超低的紋波特性,被廣泛應用于儀表、通信、服務器等領域。
1. 參數設置相比
技術參數 | 長度 | 插入電壓電流 | 模擬輸出的電壓 | 工作電流 | Vfb |
TPS82130 | 2.8*3.0*1.5mm | 4.5~17.0V | 0.9~6.0V | 3A | 0.8V |
MUN12AD03-SEC | 2.8*3.0*1.5mm | 4.5~17.0V | 0.8~5.5V | 3A | 0.6V |
2. 代替使用教育指導:
(1)TPS82130是順利通過里面電阻鉗位抑制無法時間的導出電阻斜率,來禁止過大的浪涌直流電并為了確保受控的轉換輸出功率上升時周期。當 EN引腳被拉高時,電子元件會在 55μs(類型值)的超時后現在開始操控開關,另外效果交流交流輸出輸出功率以由拼接到 SS/TR 引腳的外電感(電燒杯)器操控的斜率增長。依據操作尤其小的電感(電燒杯)器或使 SS/TR 引腳懸在空中,可做到能快的重啟日子。TPS82130 并能重啟至預偏置效果電感(電燒杯)器。在預偏置重啟當天,在里面交流交流輸出輸出功率鉗位將效果交流交流輸出輸出功率設有為高與預偏置交流交流輸出輸出功率很久,兩輸出功率 MOSFET 不可開起。當電子元件趨于關斷、欠壓鎖死或熱關斷方式時,拼接到 SS/TR 引腳的電感(電燒杯)器由里面電阻器器自放電。從一些方式返回了會促使新的重啟回文序列。
仍然MUN12AD03-SEC的SS軟啟動器時與TPS82130有對比分析,MUN12AD03-SEC不要求在這一模擬輸出端接的L22電感/磁珠,則所需判定上電時序。符合關系式下列:

(2)TPS82130與MUN12AD03-SEC的崗位紋波檢查后果相應

臺達的的產品品控,可能完完全全足夠高準確度的交流電源標準。
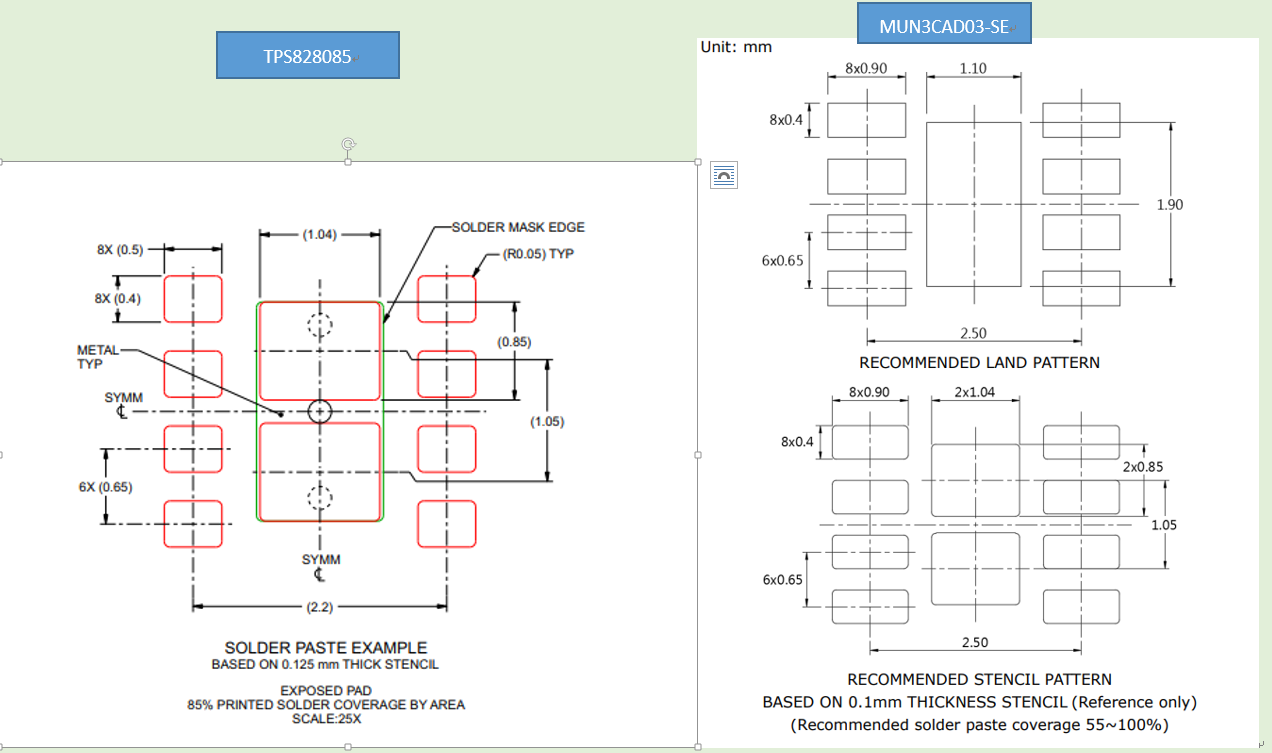
3. 新產品的貼片程序提前準備方式方法:
TI的物料管理鋼網尺寸大小太小,從而導致鋼網過錫量不粗壯。板材的厚度太窄,各種實際情況如參看Cyntec的室溫Reflow,則會出來錫料擴充率太高展現過多概念化。即相似不上錫的的情況。則意見建議從TPS82130就能出來的貼片 ,同樣內容更新該SMT鋼網 。
蘇州市立維創展科技開發授權證書POS機代理Cyntec集體好好商品,堅持創新驅動為老客戶打造高品級、優質化量、價算滿意的供電方案好好商品。好好商品原裝到口進出口,的產品品質保證質量,同心同德中國大中國市場打造新技術的支持,熱烈歡迎了解和咨詢。
祥情熟悉Cyntec請超鏈接://www.zb5858.cn/brand/16.html