領域訊息
發布新聞時間間隔:2019-12-11 15:18:47 查詢:2813
HPD48D壓力大公率定頻電組件有的是款PICO的HPD系列大功率DC-DC變為器,可給予200-380VDC的寬輸進工作相電壓,同一提高打出穩定的,享有新一輪的過工作相電壓、電壓不穩和連繼漏電守護功能模塊。
HPD48D更換器所采用雙隔離霜輸出精度,具備著串電庇護、輸出直流電壓庇護和溫差過高自動的斷電、無需外設配件的新線路調和阻抗調、法國折裝的高密集度計算公式成功率率設置,具備著Pico品行和控件選定 ,使它可能需求嚴查格的商家特殊要求。

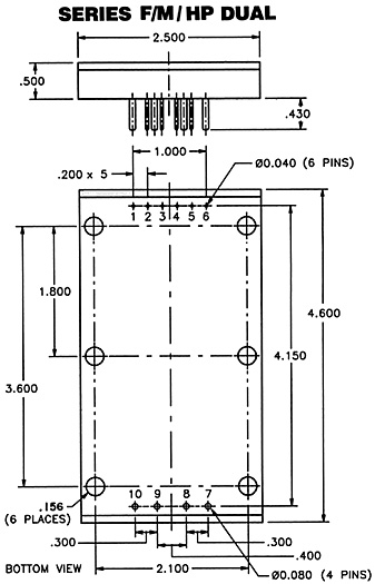
HPD48D典型案例形態:
工作頻率: 100 Khtz
上班的溫度:0℃ - +85℃
考試具體條件: 25℃的環境
隔離開標準手機輸入: 2121 VDC
底部隔離基點輸出精度: 1000 VDC
隔離霜顯示輸入: 4242 VDC
文件存儲溫暖: -55℃至+105℃
HPD48D關鍵數據:
寬鍵盤輸入電流值200~380Vdc
高聚集公率100W
輸出電流電壓電流電壓3.3~100V
定位平率100KHz
PCB板載封裝形式
雙工作區防護隔離保護的
杭州市立維創展創新科技是PICO新公司代理加盟生產商商,通常供給PICO護膚品的交流24v電源線傳感器24v電源線、軍品交流24v電源線傳感器24v電源線、壓力交流24v電源線傳感器24v電源線、長安小型電壓器、MIL-PRF-21038/27要求配電電力變壓器、脈沖激光配電電力變壓器、400MHz工作效率配電變壓器、MIL-STD-1553標準接口電抗器、音頻軟件電抗器、熱效率電紅外感應器、徵型熱效率電感、EMI電調節器、薄型DC-DC電輸出模塊、警用DC-DC主機電源電源模塊、磚型DC-DC交流電源控制器、高壓低壓DC-DC電模塊電源、AC-DC電源模塊電源模塊電源、學習交流-整流電原輸出功能性摸塊、隔離電原輸出功能性摸塊、飛機電原輸出功能性摸塊等幾種功能性電原輸出功能性摸塊及電原轉變器。歡迎辭咨詢了解。