中文版
LA302 Z–10GHz差分限制放大器
LA302 Z–10GHz差分限制放大器快速數據統計通信網16針PVCQFN芯片封裝監測率:限幅擴大器手機輸入上行速率:10 GHzSFDR:
LA310Z–8.3 GHz差分限制放大器
LA310Z–8.3 GHz差分限止調大器采集率:限幅變成器鍵入傳輸速率:10 GHzSFDR:
10 Gbps跨阻放大器 TA205C
10 Gbps跨阻拖動器 TA205C能力:10 Gbps跨阻放縮器(5V)
LD162D? 差分激光二極管驅動器
OC-192/STM-64/10GbELD162DZ\U_G0 差分皮秒激光肖特基二極管能夠器32針QFN裝封作用:差分TOSA推動器(5V)
14GHz Divide-by-2 DV002
14GHz Divide-by-2 DV002分頻比:2數字時鐘頻率:14 GHz的特點:低電能
14GHz Divide-by-8 DV008
14GHz Divide-by-8 DV008分頻比:8鬧鐘工作頻率:14 GHz特征:低電量
特征:低電量
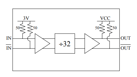
14GHz Divide-by-32 DV032
14GHz Divide-by-32 DV032分頻比:32石英鐘的頻率:14 GHz本質特征:低剩余電量
12GHz Dual-Modulus Divide-by-4/5 DV45D
12GHz Dual-Modulus Divide-by-4/5 DV45D分頻比:4/5鬧鐘工作頻率:12 GHz功能:雙模量4/5
10GHz Programmable Divide-by-2 to 31 DV31P
10GHz Programmable Divide-by-2 to 31 DV31P分頻比:2?31數字時鐘的頻率:10 GHz顯著特點:可編寫程序法向齒2?31
8GHz Programmable Divide-by-128 to 255 DV255N
8GHz Programmable Divide-by-128 to 255 DV255N分頻比:128?255數字時鐘幀率:8 GHz基本特征:可程序設計系數128?255
共2頁40條數據