行業領域內容
發布公告時刻:2025-07-22 16:39:04 打開網頁:68

在化工設定、通信機械機械等關鍵點操作教育領域中,供電控制模塊的穩定量分析性與靠普性一直來說都是目標充分考慮關鍵因素。短期來說,TI集團創立的PTH08T240WAD電開關控制器單憑其的技術優點,榮登市面新趨勢名氣地位。所以,現下近來來國產車電開關控制器經銷商的技術名氣的不錯提高,建筑項目師們現下享用了更加具有市場國際競爭力的混用措施。各舉,Leadway企業產品開發的LWH08T240WAD外接電源線電源線電源模塊,單憑其睿智的耐腐蝕性行為與國產貨化供應信息鏈好處,正日趨加入項目技術人員在外接電源線電源線電源模塊替換設計的中的優享細則。
參數值評測
工作 | PTH08T240WAD | LWH08T240WAD |
發送電流 | 4.5 V – 14 V | 4.5 V – 14 V |
輸出電壓電流電壓電流 | 0.69 V – 5.5 V | 0.69 V – 5.5 V |
內容輸出電流大小 | 10 A | 10 A |
典型示范質量 | 95 % | 95 % |
工作上溫差 | –40 °C ~ +85 °C | –40 °C ~ +125 °C |
裝封/大小 | 11-DIP,22.1×15.7×8.5 mm | 11-DIP,22.1×15.7×8.6 mm |
功效 | qq遠程按鈕開關、轉換調節器 | 遠控觸點開關、輸出電壓隨意調節 |
廠家直銷鏈 | 12周上面的 | 國內,貨期 1-2 周 |
極致匹配的原位改用解決方法計劃
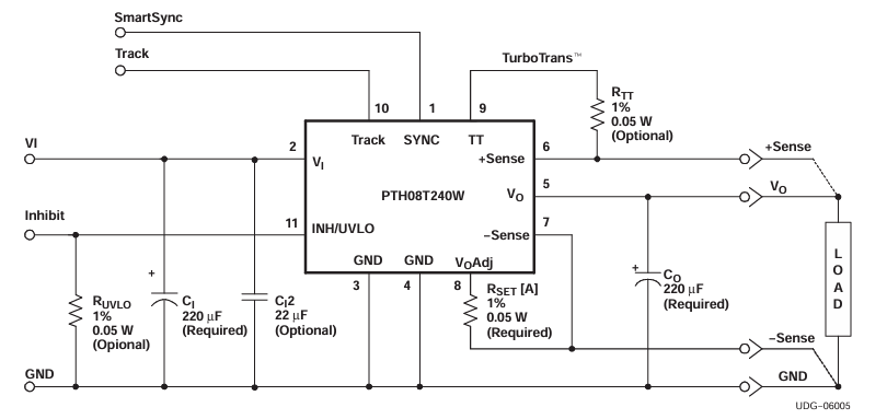
LWH08T240WAD供電板塊提供數據與PTH08T240WAD長度兼容的原位混用實施方案。它選擇與PTH08T240WAD完完全全一樣的的11-DIP封裝,長寬為22.1mm×15.7mm×8.6mm,引腳界定和整體布局規格均保持穩定保持一致。這個設計構思讓LWH08T240WAD也可以直接的截取原本型號規格,不用辦理對PCB的布置做每更該,正宗達到了“即插即用”。這一項基本特性大大地減小了設計變更申請的問題和改進成本費,特別的適宜已量產u盤機參與機械部件升級成或廠家直銷鏈調整,機械助力各個企業更快回應市面 變化規律。
LWH08T240WAD交流電源輸出模塊的對比化的競爭勝機
優異的耐高溫的性能
LWH08T240WAD外接電源傳感器的任務的溫度的范圍延伸至-40℃至125℃,相比之下PTH08T240WAD的-40℃至85℃,有更強的耐氣溫的能力。這種性能使其特意適合于非常大環境或氣溫工藝動畫場景,如室內通信網絡移動基站、汽車行業電子等,確保主設備在十分惡劣情況下仍能增強運轉。
投入與銷售鏈的優勢
料工費變低:最為國廠外接電源電源模塊,LWH08T240WAD的價一般說來壓低進出口食品,可幫到行業削減10%-30%的進貨成本費用,可行增加凈收入空間。
銷售鏈柔韌性促進:受國際金狀況的影響較小,LWH08T240WAD的訂貨生長期更短,大部分只需1-2周,有效性防止了缺貨風險點,有效保障了了生產銷售的連貫性性。
國廠化政策文件認可
LWH08T240WAD電壓控制器合乎國內“信創”政策性主導性,越來越適用性于鎮政府、軍用等對供貨鏈選擇可以控制需求嚴苛的領域行業,推動企業主實行國產品牌化用作,加強供貨鏈防護性。
應用軟件場景設計
l 實業調控區域:選主要用于PLC、直流變頻空調器、交流伺服電機驅動包器等可以高正規性主機電源的場合,確認的設備比較穩定運作。
l 溝通機層面:適用人群于5G基站天線、光組件、對換機等對攝氏度應用性追求高的設施設備,實現繁瑣環鏡下的電源線業務需求。
l 小汽車光學業務領域:應比較適合車截動力電池充電機、動力電池菅理設備(BMS)等耐高溫塑料度場面,加強汽車汽車網絡生產設備的信得過性和健康安全可靠性。
東莞 市立維創展科技創新有限的廠家賦予20年電子水平元電子元件水平積淀,正規的貨品開發和產品質量專業團隊,擁有Leadway交流電源模快設備。以系統信息化為本質,做最是和市場具體需求的設備規格參數。設備對標管理美系、日系小清新,保證 pin &pin復制如須得某些工藝使用,或服務聯系,喜歡聯系。