業手游資訊
公布的日期:2025-07-16 16:44:01 閱覽:108

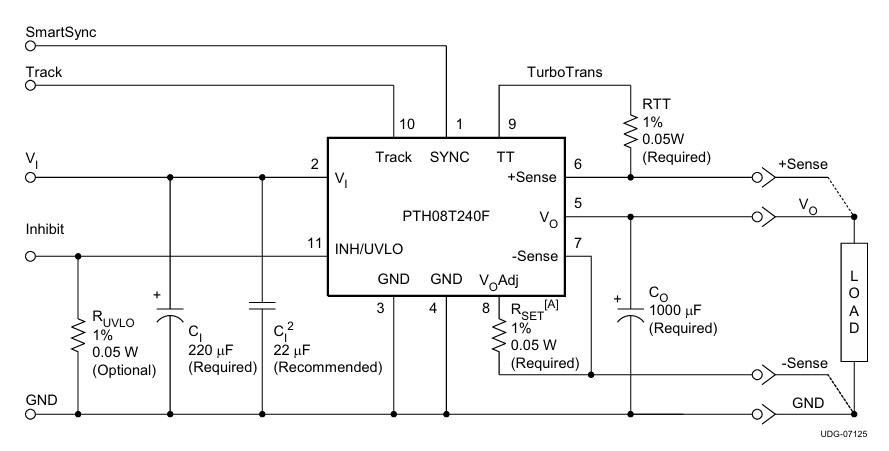
在24v電源引擎的選擇型號的過程中,滄州儀器設備(TI)齊名的PTH08T240FAD通過其優異的高能和安全穩相關性,在工業制造把握操作系統、移動通訊生產設備等發展凸顯各個領域收獲豐富軟件應用。然后,現在目前中國電子這個行業的短時間成長,對24v電源接口國內化用于的意愿發展凸顯,公司紛紛的意思找出的成本更低、制造鏈更安全穩定的中國文化整合徹底改進方案設計。在原型下,Leadway開售的LWH08T240FAD電源線模組依靠其與PTH08T240FAD高配對的電器性能參數、兼容的封裝類型設計構思,和其更有競爭性力的料工費預算主要優勢,為繁多項目 師和抉擇方在國內化帶替中的佳抉擇,合理有效推動企業的減少抉擇料工費預算并提供制造鏈塑性。
性能比照
內容 | PTH08T240FAD(TI) | LWH08T240FAD(Leadway) |
插入電流值 | 4.5 V – 14 V | 4.5 V – 14 V |
內容輸出電阻值 | 0.69 V – 2 V | 0.69 V – 2 V |
輸入輸出電壓 | 10 A | 10 A |
效果 | 90 % | 90 % |
辦公室溫 | –40 °C ~ +85 °C | –40 °C ~ +117 °C |
芯片封裝/尺寸 | 11-DIP,22.1×15.7×8.5 mm | 11-DIP,22.1×15.7×8.6 mm |
功能鍵 | 無線旋鈕、輸出的能自由調節 | 遠程控制旋鈕、效果可手動調節 |
替換優缺點
溫度表區間更廣:
l LWH08T240FAD承繼LWH系例的耐高熱的特點,其運作溫條件遠低過PTH08T240FAD的-40℃ - 85℃,采應用在耐中高溫輕工業生活環境或極端分子空氣指數狀況。
成本費用更低:
l 國廠化的LWH08T240FAD一般來說兼具代價長處,這會有利于減小總體系統的代價的費用。
供給鏈更不穩性:
l LWH08T240FAD受展覽情勢的影響較小,提供鏈快又穩定,能夠效果科學合理地定期檢查生產連續性。
芯片封裝瀏覽器兼容性:
l LWH08T240FAD食用與PTH08T240FAD不同的11-DIP封裝類型,可真接重設,不用再重設PCB平面布置。
LWH08T240FAD可會轉換PTH08T240FAD,暫時無法調節電源線路布局圖,選廣泛用于網絡通訊機 、工業生產把控好設備等鄰域。其高兼容性設置與國產圖片供給鏈競爭優勢,是工作師重復使用設計的的好抉擇。
廣州市立維創展社會較少品牌成為20年電子科技元功率器件科技積聚,非常專業的產品科研和品控創業團隊,鑄就Leadway交流電源功能類貨品。以技巧改革創新為核心理念,做最最合適專業市場消費需求的類貨品技術參數。類貨品對標學習美系、日系品牌,改變pin &pin復制如需求一些方法使用,或護膚品在線了解和咨詢,歡迎辭在線了解和咨詢。