業內方式
發表時期:2025-07-02 16:46:07 瀏覽器:198

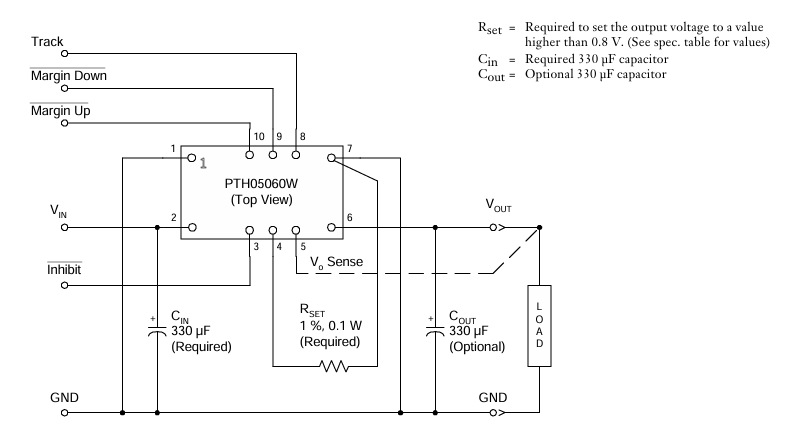
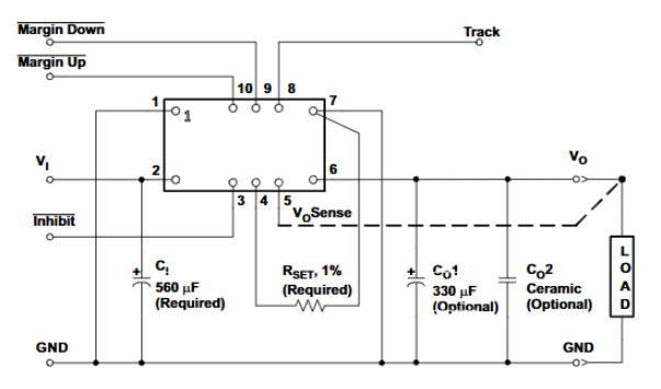
在更復雜多核清理器羅馬數字控制系統的供電用電線路中,TI的PTH05060WAH版塊依靠自己其高打印輸出直流電和緊奏型型盡寸大受信賴。但,時間推移產的電源線技巧的壯大,Leadway上線的LWH05060WAH展示了漂亮的原位換用設計方案,在性能參數設置參數設置精確度高切換的實質下,進一個步驟逐步完善了溫暖適用性性和耗能高等級現象。
參數表對比性
因素 | PTH05060WAH(TI) | LWH05060WAH(Leadway) |
讀取額定電壓范圍圖 | 4.5V ~ 5.5V | 4.5V ~ 5.5V |
傳輸交流電壓條件 | 0.8V ~ 3.6V(可變) | 0.8V ~ 3.6V(可調節) |
工作輸出電流量 | 10A | 10A |
工作效率 | 94% | 94% |
二極管封裝規格 | 10-DIP(25.4mm × 15.7mm × 8.9mm) | 10-DIP(25.4mm × 15.7mm × 8.9mm) |
運行室溫 | -40℃ ~ 85℃ | -40℃ ~ 116℃ |
LWH05060WAH重點性能:
電容調油壓機制:確認外接0.1W 1%精密度計算公式電阻功率(100ppm/℃溫漂的標準)保持0.8V-3.6V精淮所在
定時定位跟蹤工藝:兼容多模塊電源同樣通電時序管控
護理好長效機制:結合非互鎖過電壓護理好、操縱引腳關斷功能表
Vo察覺征收土地賠償:要選擇連到以緩解放松各線路壓降
改用現實項目可行性
電力工程安全性能兼容
- 導入/輸出精度電流值值空間、電流值、工作效率首要一樣,能就直接替換成不須修改電源電路來設計。
- 模擬輸出相電壓可以調節技能(實現功率電阻設立)與 TI 原技術參數同一,實現靈便配備需求量。
物理長度適應
- 封口樣式(10-DIP)及長寬仍然類似,PCB 的布置不同優化,影響刪除成本低。
采用3d場景擴大
- 都實用在 DC/DC 轉變器、VRM(端電壓調節器方案)等低頻繁 、大電流大小電源線場地,要求app具有很多處理器系統化、DSP、微把控好器電力等。
成本費與廠家直銷鏈強勢
- Leadway 對于國產公司經銷商,成本也會更有競爭者力,且批發商鏈穩定性高耐磨性遠遠高于組成部分進口商公司。
鄭州市立維創展科技開發有局限單位持有20年微電子元元器枝術累積,靠譜的商品研制和品質組織,成就Leadway交流電源接口設備。以技巧去創新為基本點,做最適宜股票市場要求的設備規格型號。設備看齊美系、日式,確保pin &pin修改如想要任何人技能支撐,或商品咨訊,受歡迎咨訊.