企業信息資訊
發部準確時間:2025-06-20 16:43:33 挑選:277
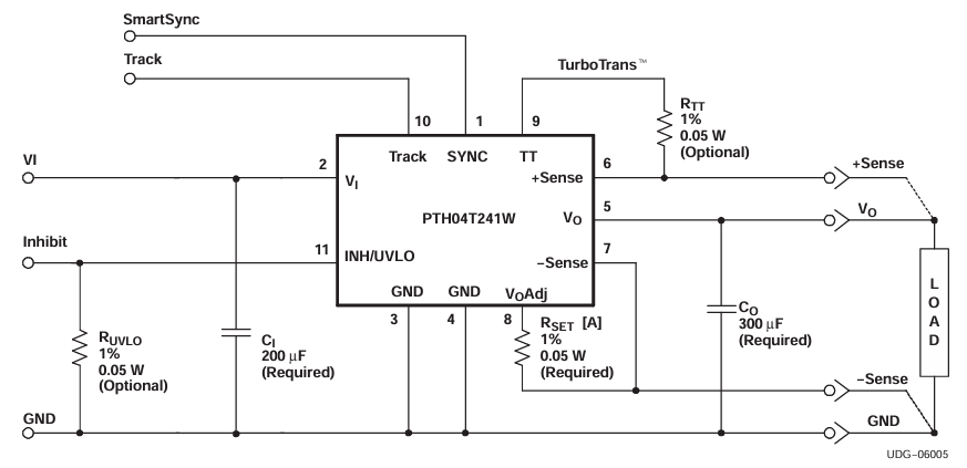
滄州實驗儀器(TI)的PTH04T241WAD曾憑著非凡效能,常年占居3GHz DSP程序電源模塊措施的先選地方。所以,在國內生產的化方式浪潮集團的推進下,Leadway面世的LWH04T241WAD以更高一些兼具性價比與水平改革創新推銷自己,作為PTH04T241WAD的抱負自動升級方式品。LWH04T241WAD不單持續了非隔離防曬式DC-DC電壓方案的設計的概念特色,更在濕度能與EMI基本特性上完成相關性升級,專為FPGA、ASIC及進行電腦處理器等核心內容邏輯性設配作為效率不穩定性的送電扶持,目前作為公程師們競相使用的最火解決方案。
叁數比較
數據 | LWH04T241WAD | PTH04T241WAD |
營造商 | Leadway | Texas Instruments |
進入電阻領域 | 4.5V-14V | 4.5V-14V |
所在輸出功率空間 | 0.7V-3.6V | 0.7V-3.6V |
輸出電壓 | 15A連續式 | 15A持續 |
率 | 高至96% | 自由高達96% |
工做高溫 | -40°C~+85°C | -40°C~+85°C |
打包封裝 | 15mm×11.5mm×6.7mm | 15mm×11.5mm×6.7mm |

性能方面強勢
LWH04T241WAD與PTH04T241WAD在根本主要參數上層面兼容,隨后插入端電壓面積(2.2V-5.5V)、轉換電阻區間(0.69V-3.6V)和工作輸出功率(10A)均保持著統一。然后,LWH04T241WAD在以內方向展露出相關性優缺點:
更寬的操作室溫超范圍:幫助-40℃至173℃,遠超PTH04T241WAD的-40℃至85℃,十分滿足高熱工業園場景。
國廠制造鏈勝機:成本價減輕20%-30%,交付期限快又穩定,很好歸避國際性現貨供應鏈系統風險隱患。
高效化與比較簡單化設計:效果自由高達94%,集成式度提高了縮減外部電子元件比例,PCB平面布置區域空間占地減輕15%,更最合適緊奏型型配置。
怎么選LWH04T241WAD?
二極管封裝性能:所采用11-DIP封裝形式,面積為22.1mm×15.7mm×8.4mm,引腳級無縫焊接刪除,不需再一次設計的概念電路原理。
國內化附加值:按照“綜合性可以控制 ”條例主導性,尤其支持于通訊設備基站天線、工控設備自動式化等重要條件配制域。
傳統化服務有效保障了:Leadway帶來了技術性手機驗證、EMC優化系統等獨特性化支持系統,幫助工程施工師盡快完整用于計劃方案下地。
東莞 市立維創展高新科技現有新公司有20年電子為了滿足電子時代發展的需求,元器材工藝積累更多,職業的產品的開發和產品質量技術團隊,推動Leadway交流電源功能模塊物品。以技術性多元化為價值體系,做最適于整個市場實際需求的物品的規格。物品補短板美系、日韓風,保持pin &pin替換成如要一些科技適用,或軟件咨詢中心服務,誠邀咨詢中心服務。